




1 trojcestný zámek
1 protiplech
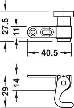
1 zajišťovací háček
1 sada upevňovacího materiálu (šrouby a vruty)


| Verze | Bez zámkové rozety |
|---|---|
| Barva/povrchová úprava | ořech: šedá, Tělo: matný niklOřech: šedá |
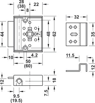
| Rozsah použití | | Pro průběžnou profilovou tyč ⌀ 8 mm |
| Montáž | K přišroubování |
| Materiál | Tělo zámku: ocelořech: plast |
| Vhodné pro | Pro průběžné profilové tyče Ø 8 mm |
| Poznámka k montáži | | Díky rozdílným rozměrům backsetu 28 mm a 38 mm je při stejném vzoru vrtání u řady korpusů možné vytvořit identické velikosti mezery.Příklad: obrázek níže: tloušťka dřeva 19 mm a mezera 3 mm (rozměry zvýrazněné šedou barvou nesmí být měněny) |
| Barva | |
| Klíč je obsažen | |
| Dráha zamykání | | 90° |
| Backset D | |
| Obsah balení | |
| Backset | 28,00 mm | 38.00 mm |
| Montáž | levé nebo pravé (reverzibilní) |