









| Verze | s předmontovaným vrutem do dřevotřísky | bez předmontovaného vrutu do dřevotřísky |
|---|---|
| Materiál | Plast |
| Barva/povrchová úprava | Bílý hliník |
| Rozsah použití | | Pro montáž zadních panelů |
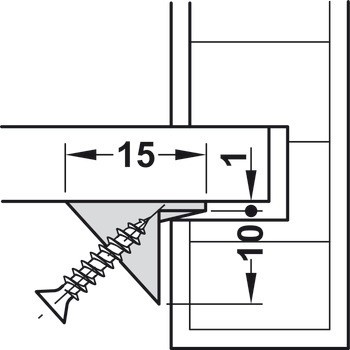
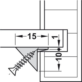
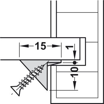
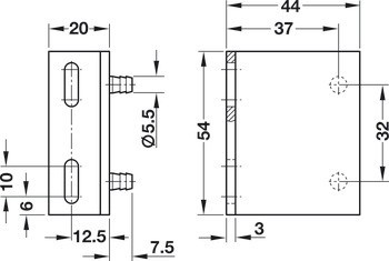
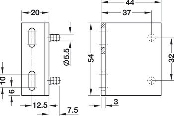
| Pro průměr vrtaného otvoru | 9.00 mm |
| Materiál | Plast |
| Barva/povrchová úprava | | Bílá | Béžová |
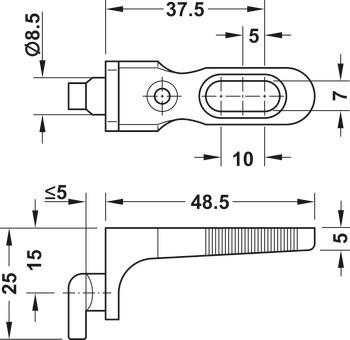
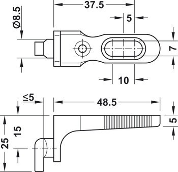
| Šířka | 54,00 mm |
| Tloušťka materiálu | 3,00 mm |
| Leg length | 44 / 20 mm |
| Montáž | | K přišroubování na zadní panel a korpus | K nalisování do otvoru Ø 5 mm (v intervalu 32 mm), zadní panel k přišroubování |
| Otvory pro šroub | Vrtaný otvor Ø 5 mm (pro intervaly 32 mm) |
| Zařízení pro nastavení | pomocí drážky |
| Tloušťka zadního panelu | ≥5 mm |
| Pro řadu vrtaných otvorů | Systém 32 |
| Barva krytu | Bílá |
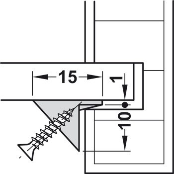
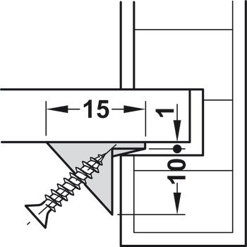
| Doplňkové zajištění | Lze dodatečně zajistit vrutem do dřevotřísky Ø 3 mm |