






| Rozsah použití | | Pro spojení prvků korpusu, pro připevnění zadních panelů, pro vložené a naložené části nábytku |
|---|---|
| Materiál | | Ocel |
| Barva/povrchová úprava | | Bílá, prášková barva | Světlý pozink |
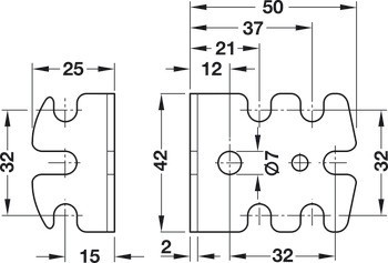
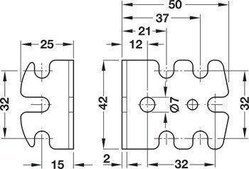
| Šířka | | 42,00 mm | 42.00 mm |
| Tloušťka materiálu | | 2,00 mm | 2.00 mm |
| Leg length | | 50 / 25 mm |
| Montáž | | K přišroubování |
| Otvory pro šroub | |
| Pro řadu vrtaných otvorů | | Systém 32 |