





| Materiál | Ocel |
|---|---|
| Barva/povrchová úprava | Světlý pozink |
| Rozsah použití | Pro zadlabací rozvorový zámek pro posuvné dveřepro posuvné dveře |
| Montáž | K přišroubování |
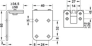
| Délka x šířka mm | 60 x 40 mm |
| Montáž | Pro použití na DIN levé a DIN pravé straně |
| Pro typ dveří | Posuvné dveře |
| Vhodné pro | Silent-Stop Rozvorový zadlabací zámek |