




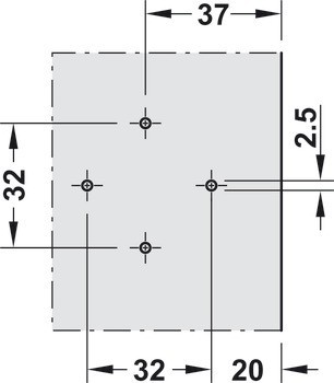
1 vrtací šablona
1 redukce Ø 8 mm na Ø 2,5 mm
1 hloubkový doraz pro vrtání 8 mm

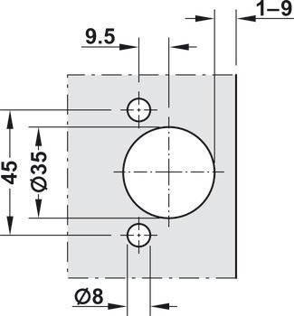
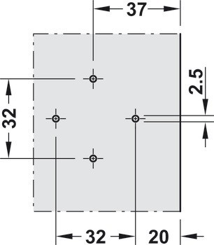
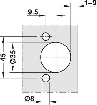
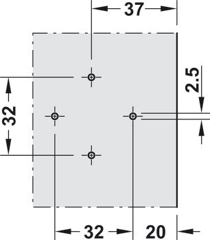
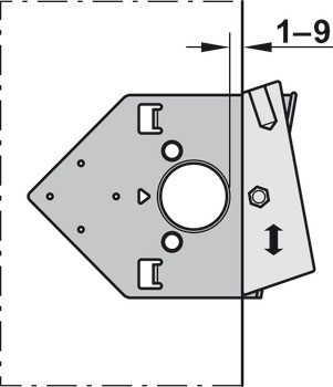
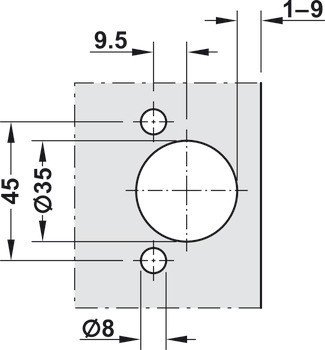
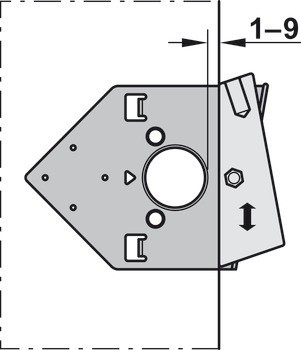
| Rozsah použití | Pro vyvrtání otvorů ke stranovému upevnění pro nábytkové závěsy Blum z řady Clip Top a Clip Top Blumotion a pro přišroubované závěsy a závěsy pro skládací dveře, pro předvrtání montážních otvorů pro křížové montážní podložky, křížové adaptéry Blumotion a rovné montážní podložky |
|---|---|
| Typ produktu | Vrtací přípravek |