




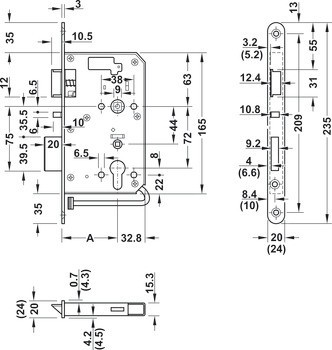
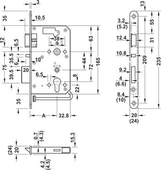
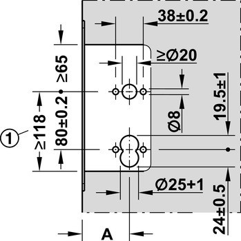
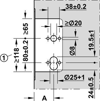
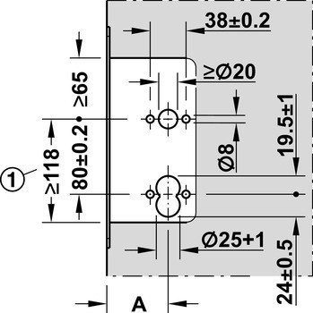
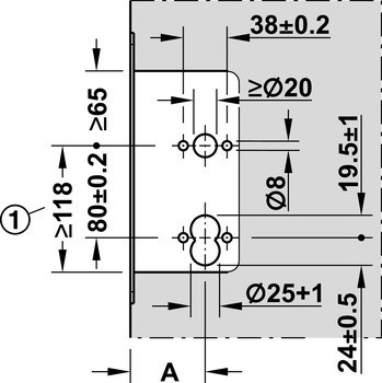
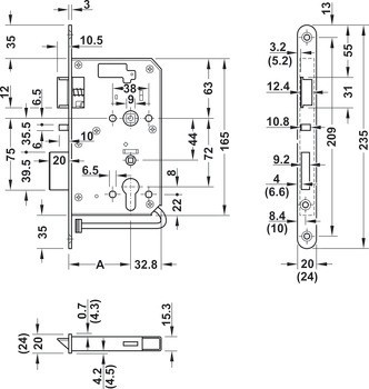
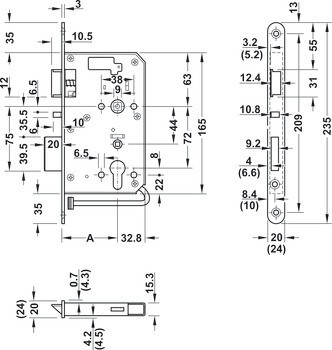
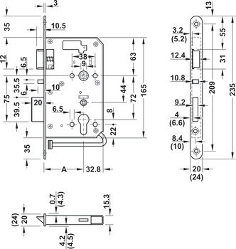
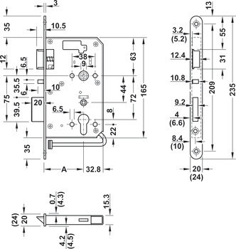
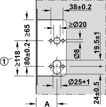
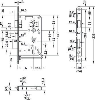
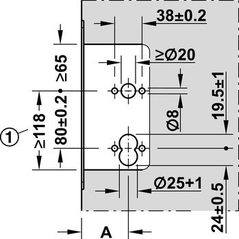
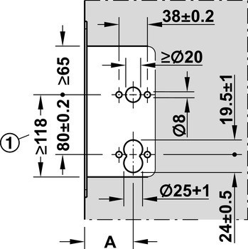
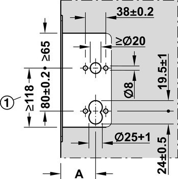
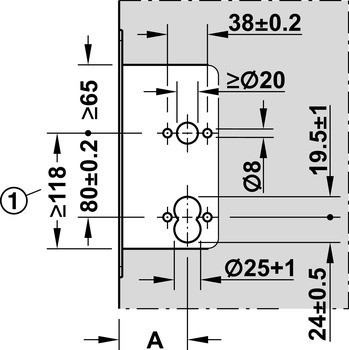
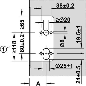
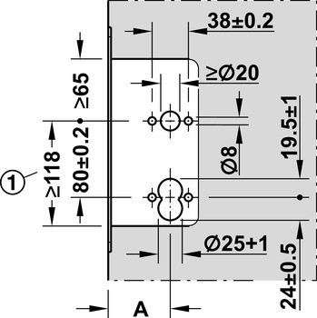
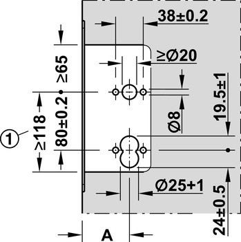
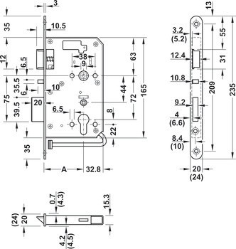
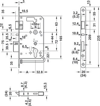
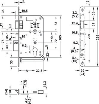
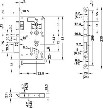
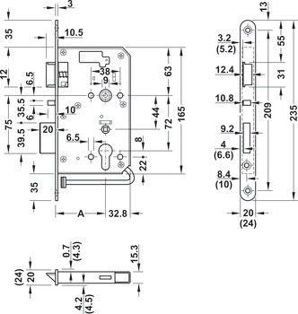
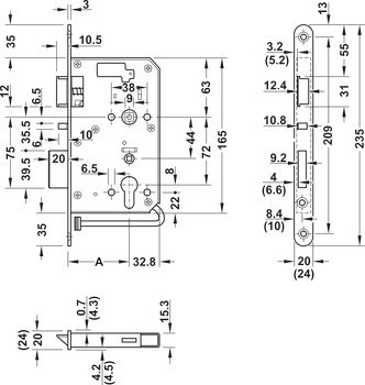
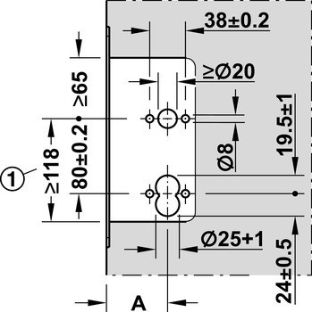
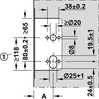
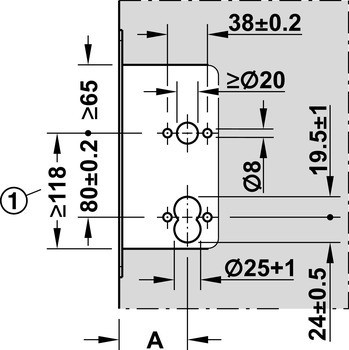
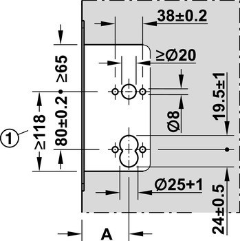
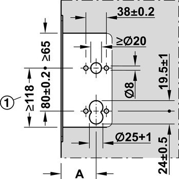
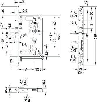
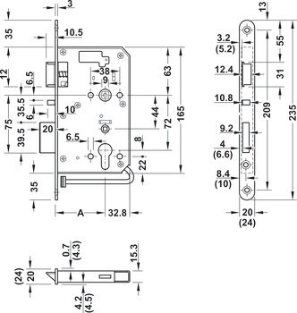
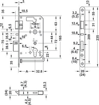
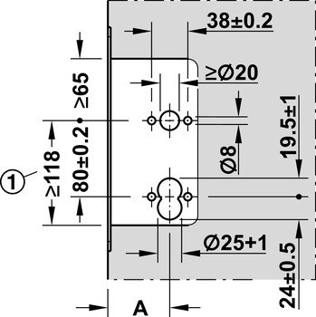
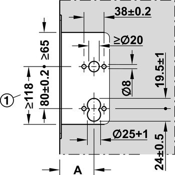
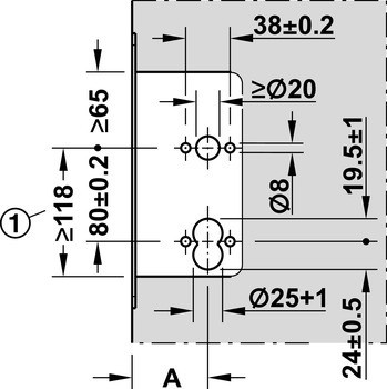
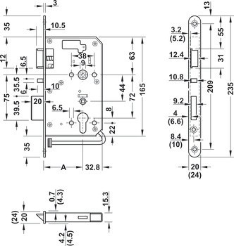
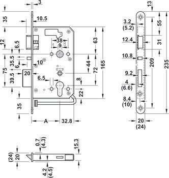
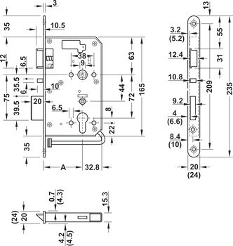
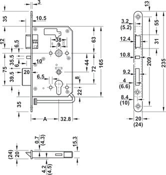
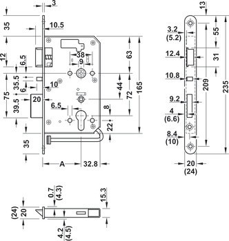
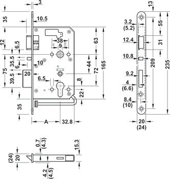
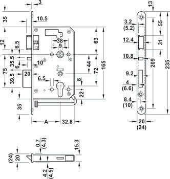
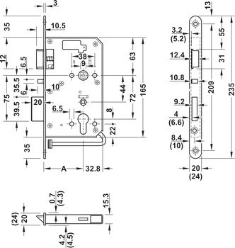
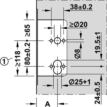
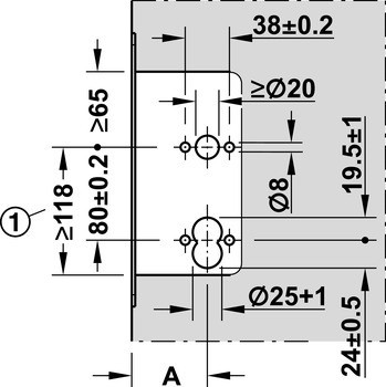
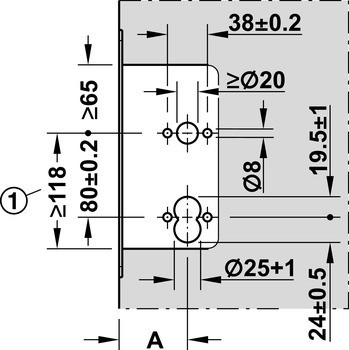
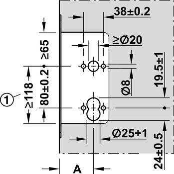
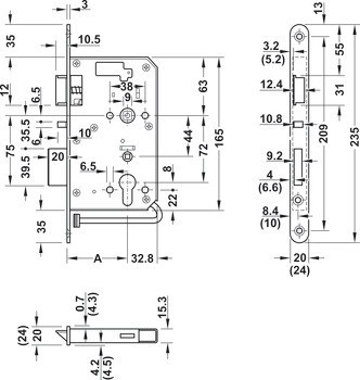
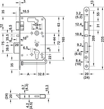
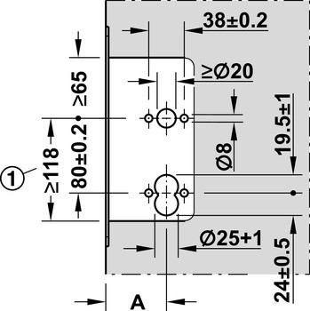
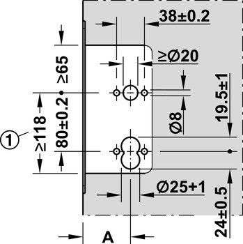
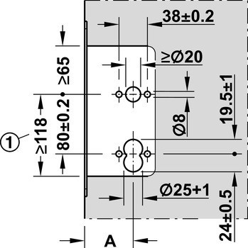
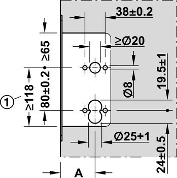
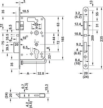
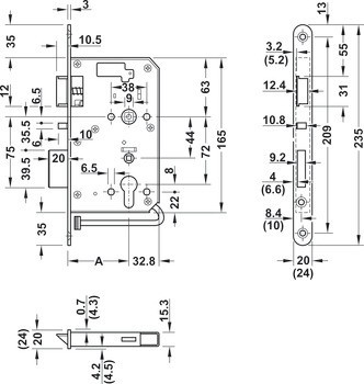
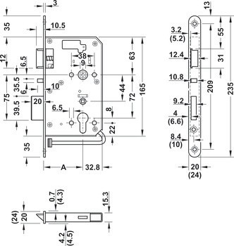
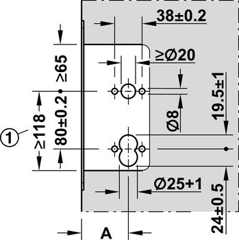
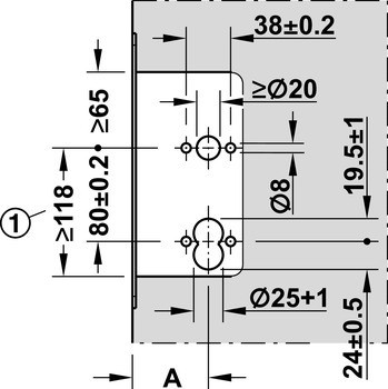
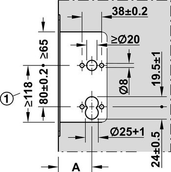
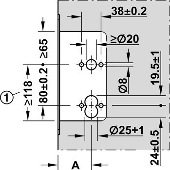
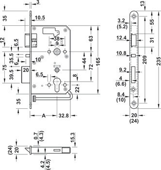
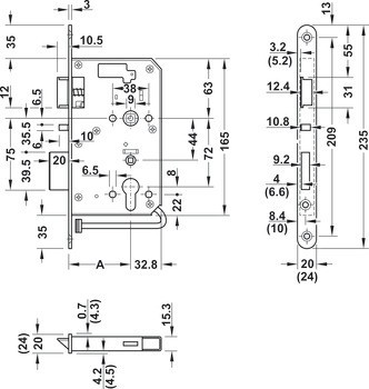
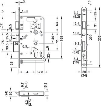
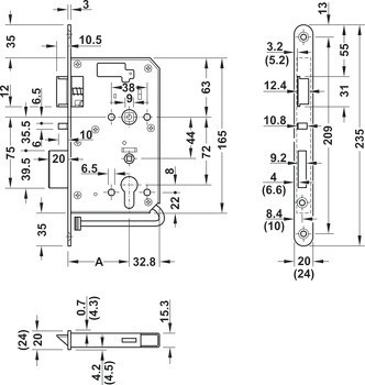
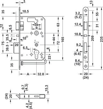
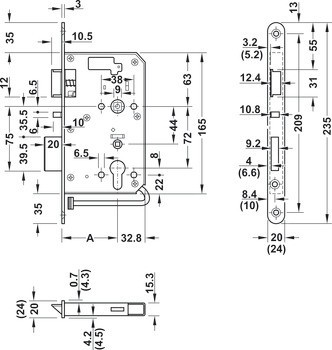
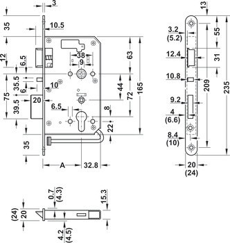
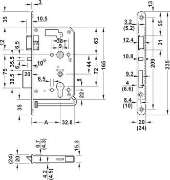
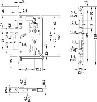
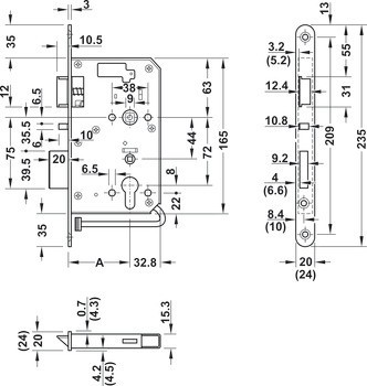
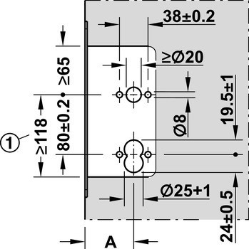
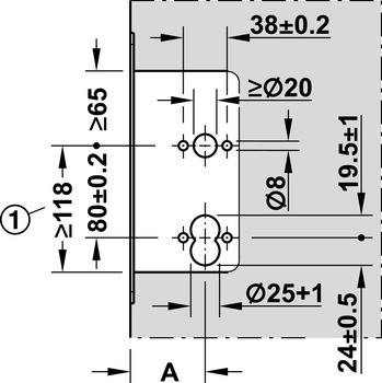
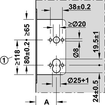
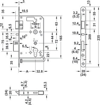
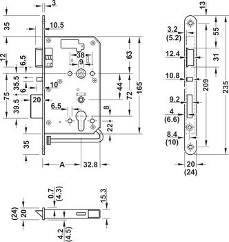
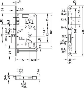
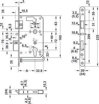
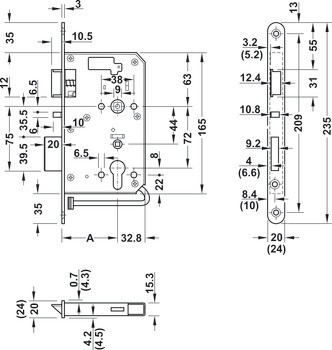
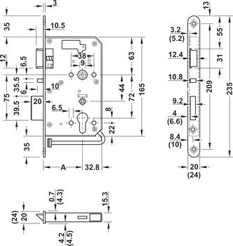
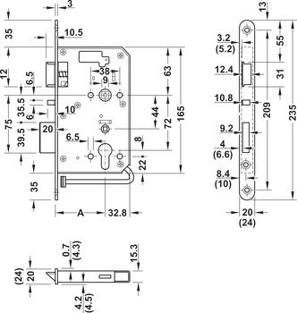
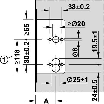
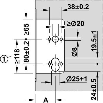
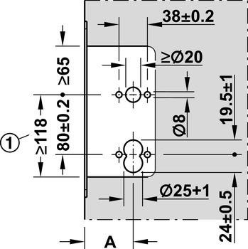
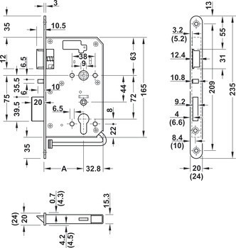
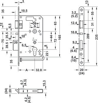
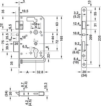
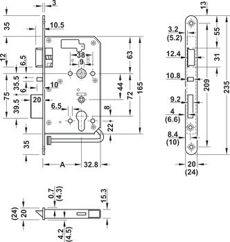
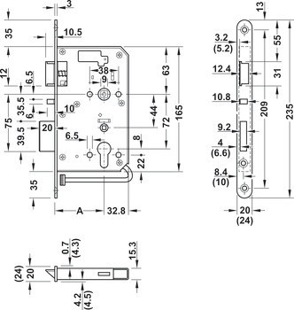
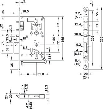
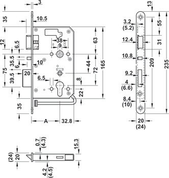
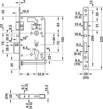
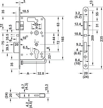
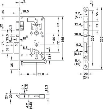
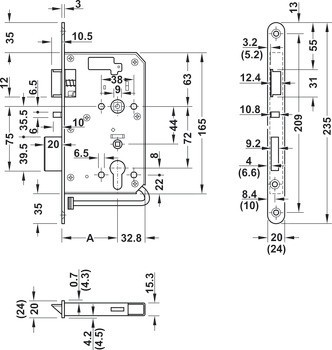
1 zadlabací zámek
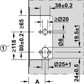
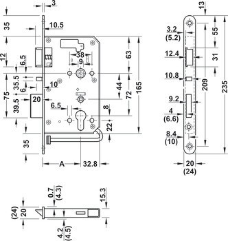
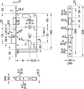
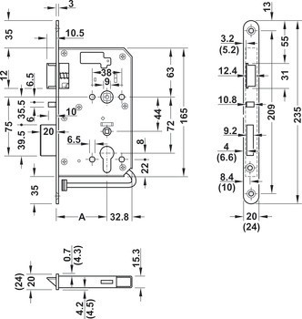
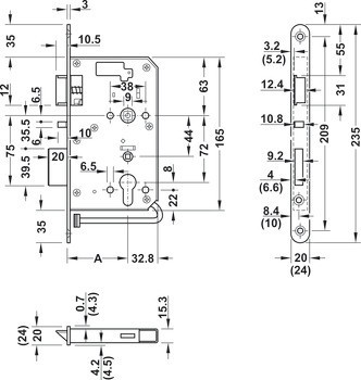
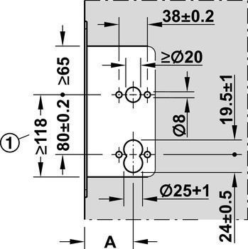
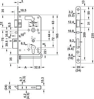
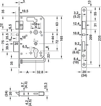
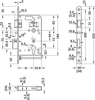
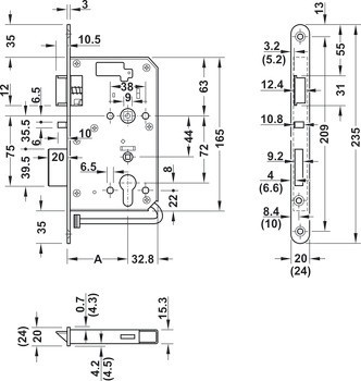
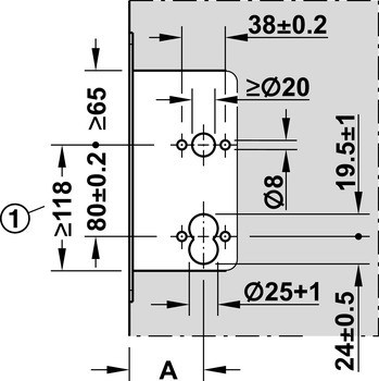
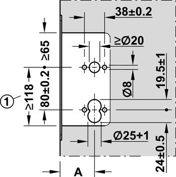
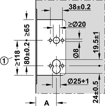
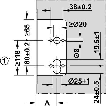
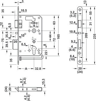
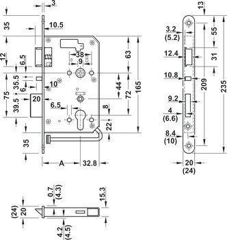
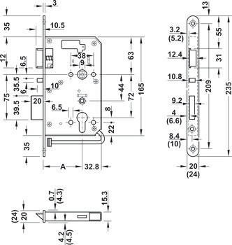
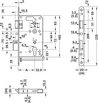
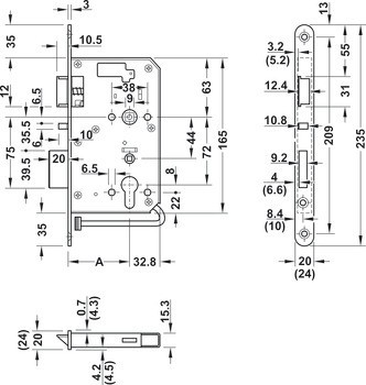
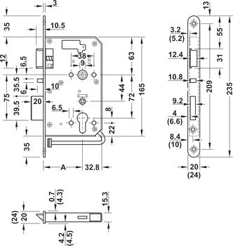
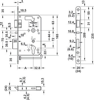
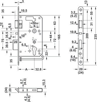
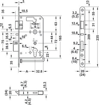
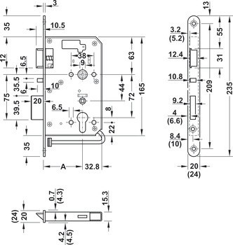
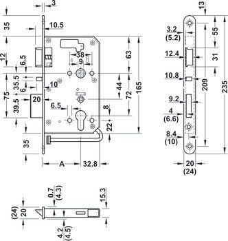
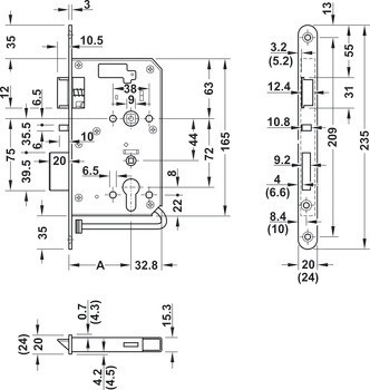
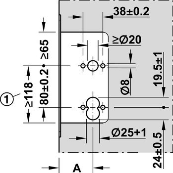
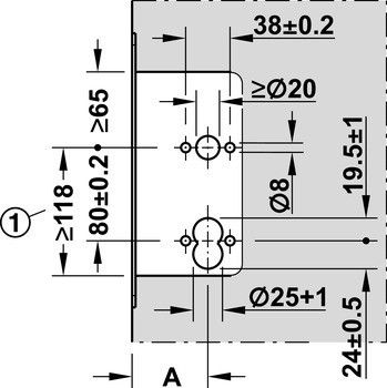
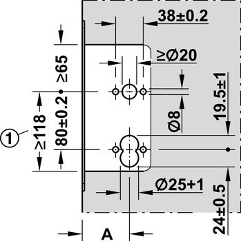
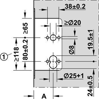
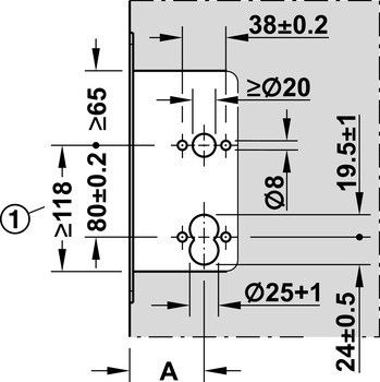
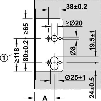
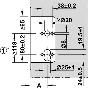
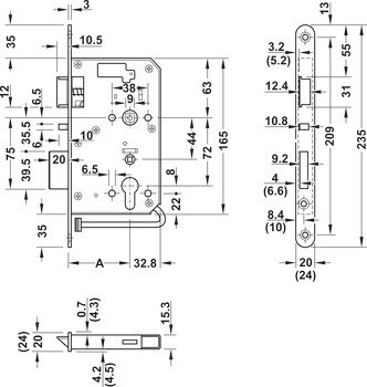
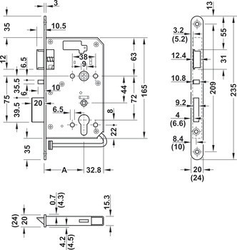
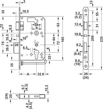
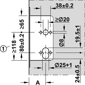
1 šroub čelního plechu (backset/délka šroubu 55/70 mm; 65/80 mm; 80/90 mm); montáž povinná
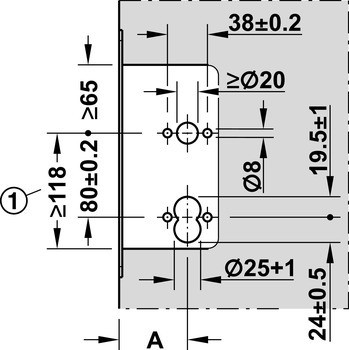
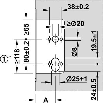
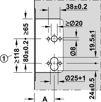
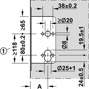
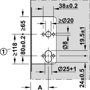
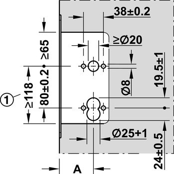
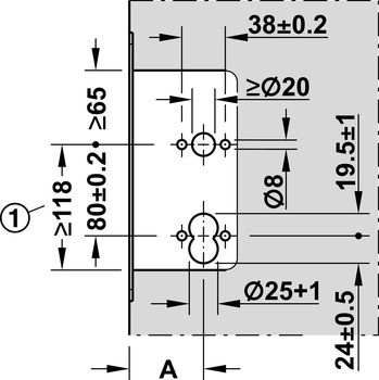
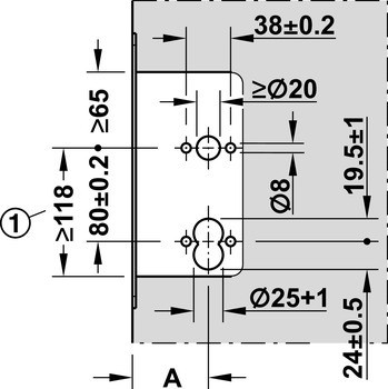
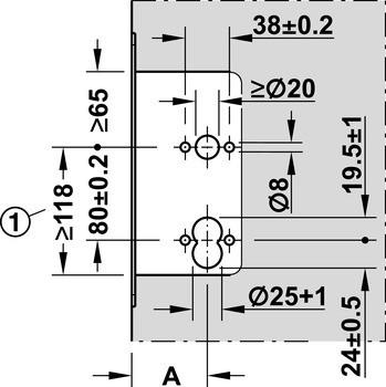
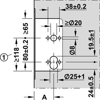
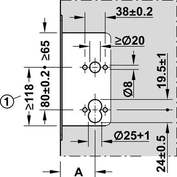
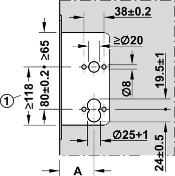
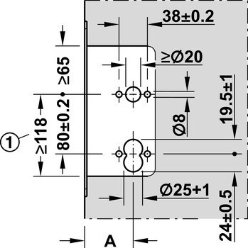
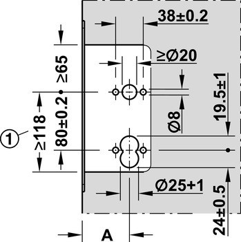
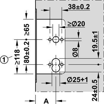
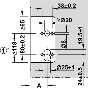
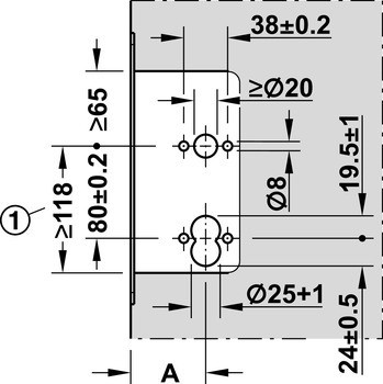
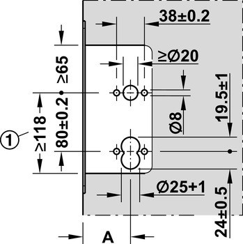
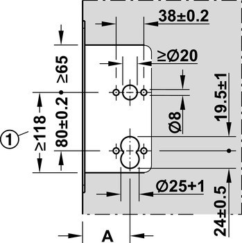
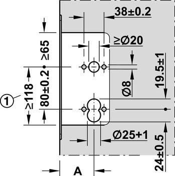
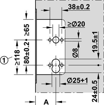
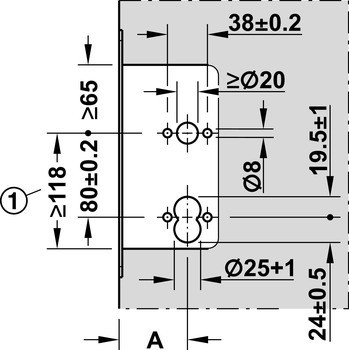
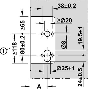
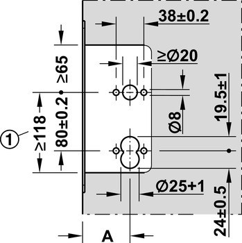
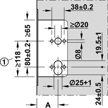
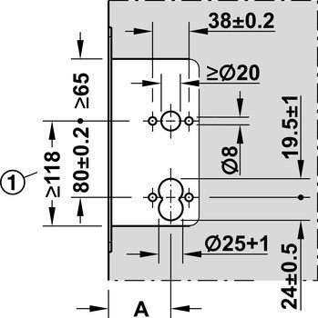
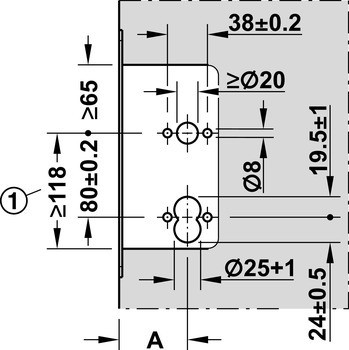
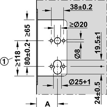
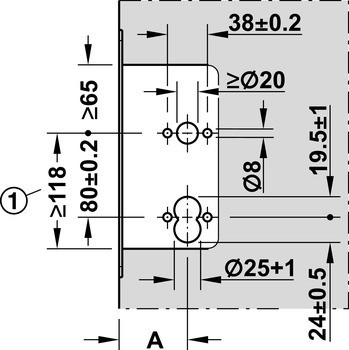
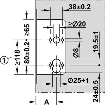
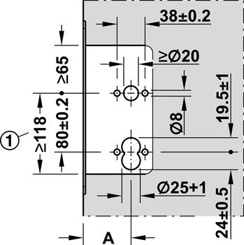
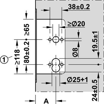
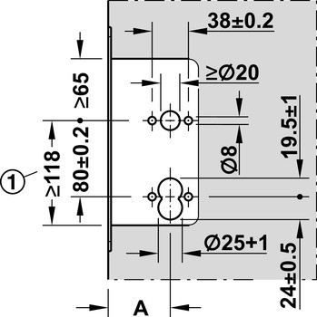
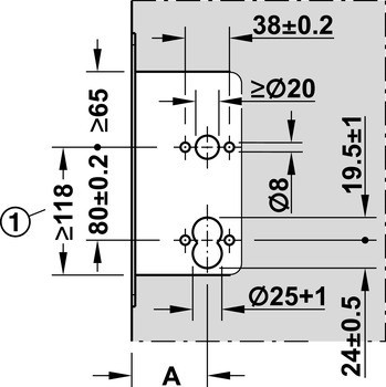
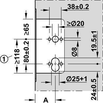
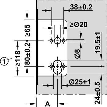
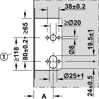
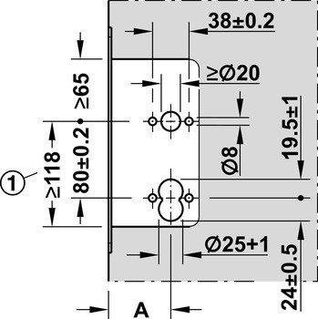
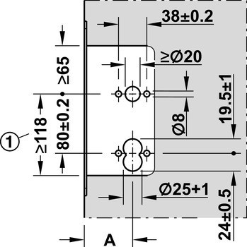
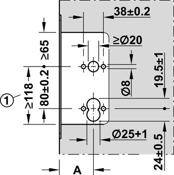
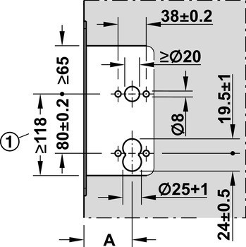
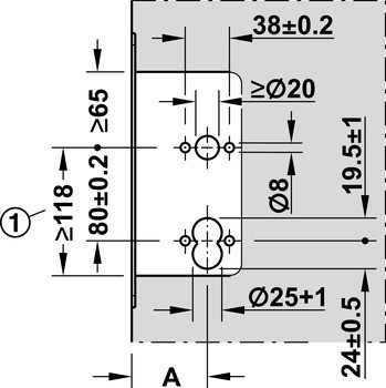
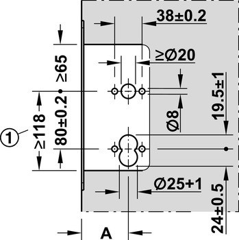
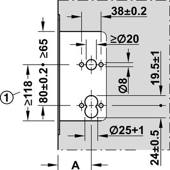
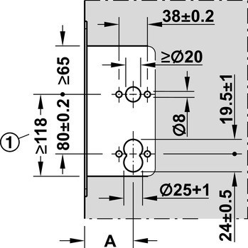
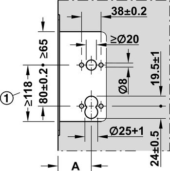
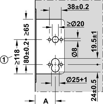
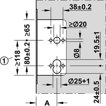
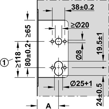
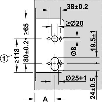
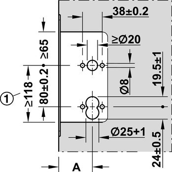
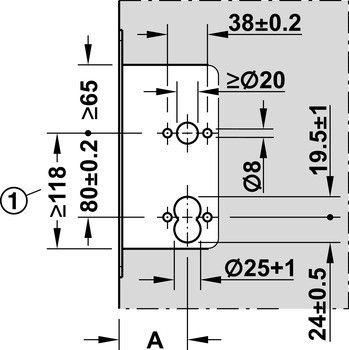
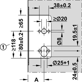
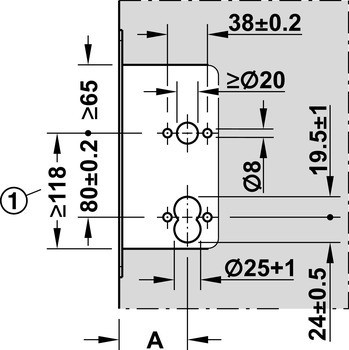
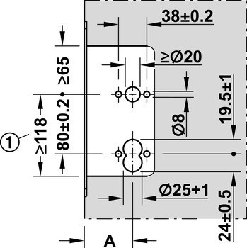
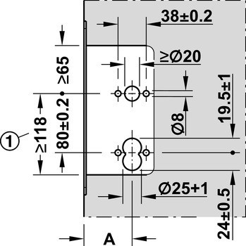
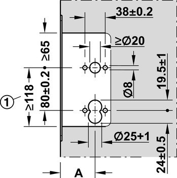
1 kulatý nebo hranatý čelní plech, saténový nebo leštěný nerez, leštěná mosaz, saténová černá
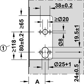
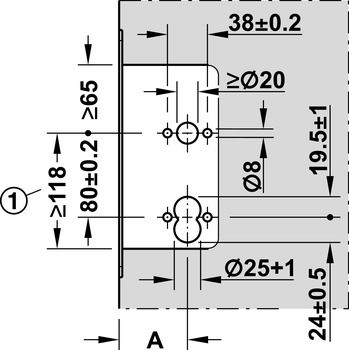
2 upevňovací šrouby, barevně sladěné





| Barva/povrchová úprava | | Tělo zámku: černá, Čelní plech: saténsklopná páčka: nikltělo zámku: pozink | Čelní plech: barva mosaziTělo zámku: černá, Leštěná barva mosazi | Tělo zámku: černá, Leštěná barva mosazi | Čelní plech: černáTělo zámku: černá, Čelní plech: saténsklopná páčka: nikltělo zámku: pozink |
|---|---|
| Norma | Certifikováno v souladu s EN 12209:2003 / AC:2005 |
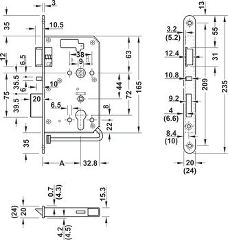
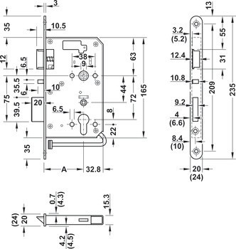
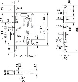
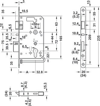
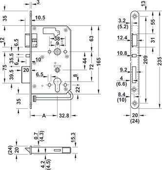
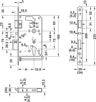
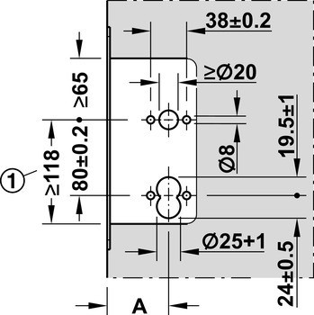
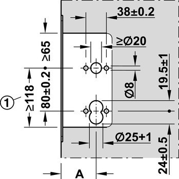
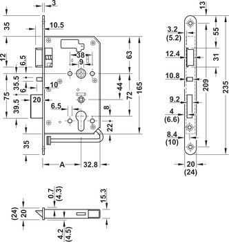
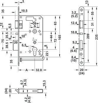
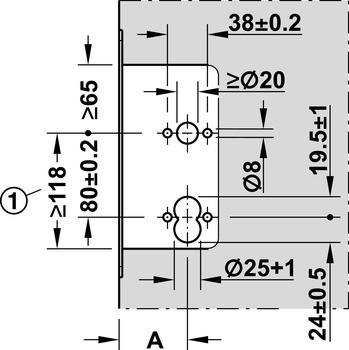
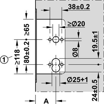
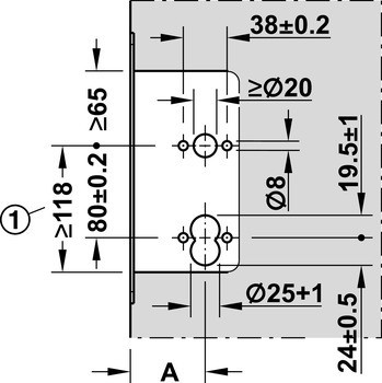
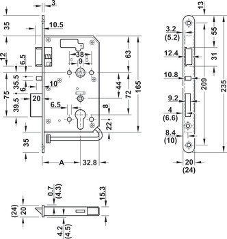
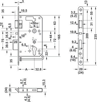
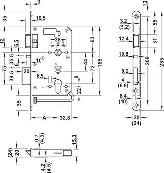
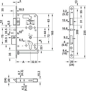
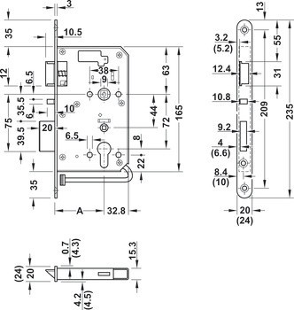
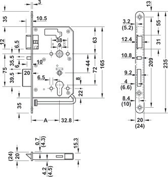
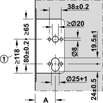
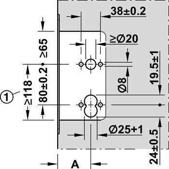
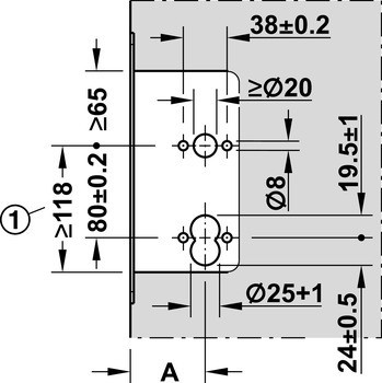
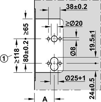
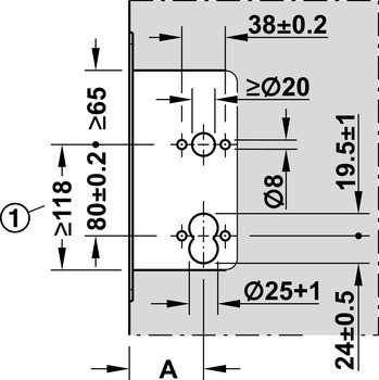
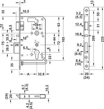
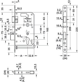
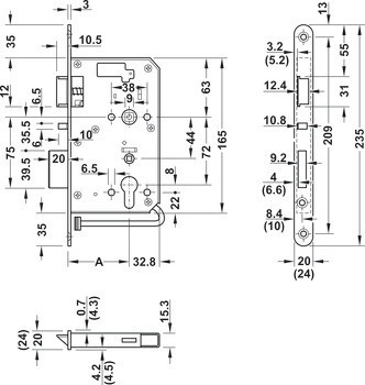
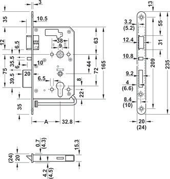
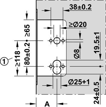
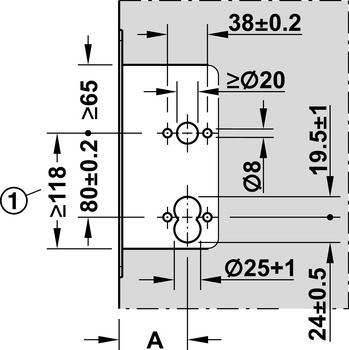
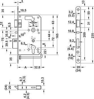
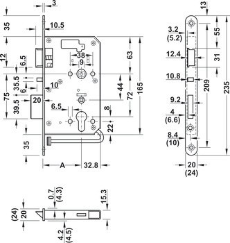
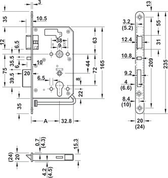
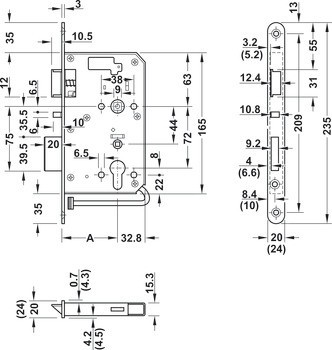
| Materiál | Čelní plech: NerezStřelková závora a tělo zámku: ocelOřech kliky: tvárná litina |
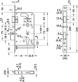
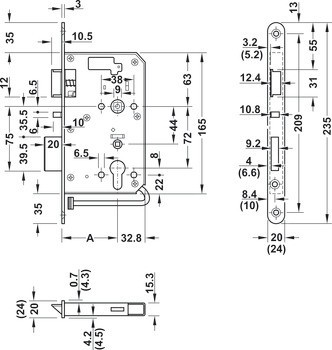
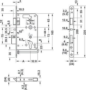
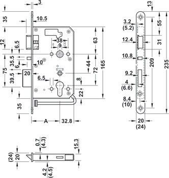
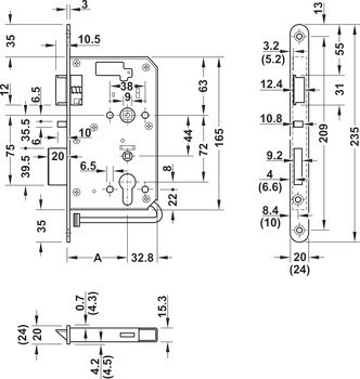
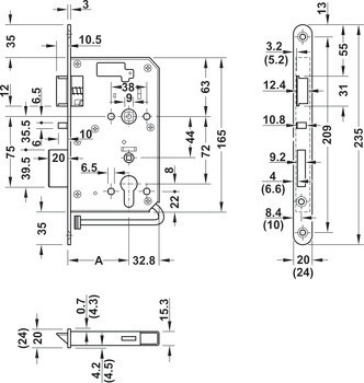
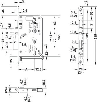
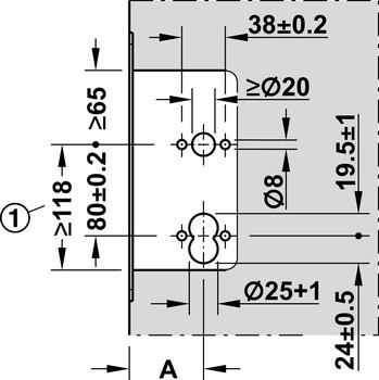
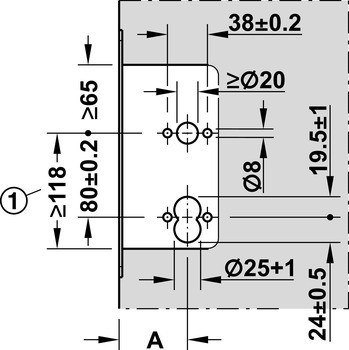
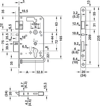
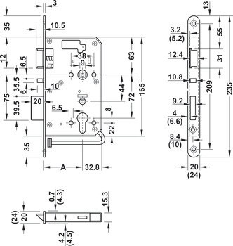
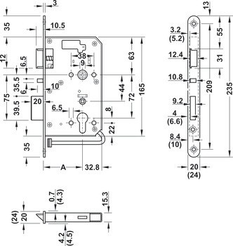
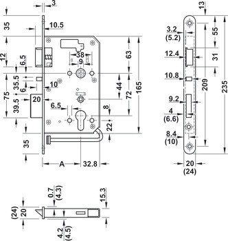
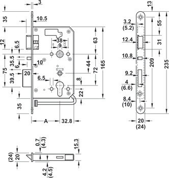
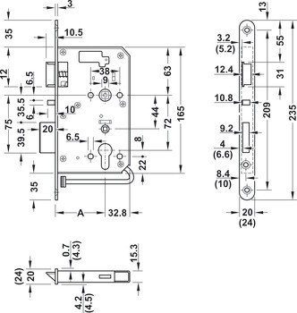
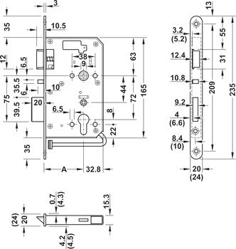
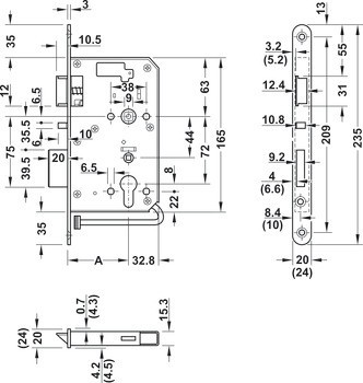
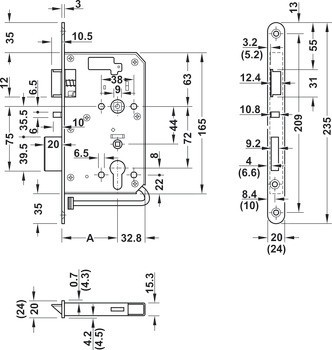
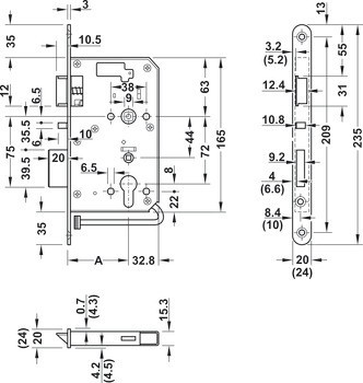
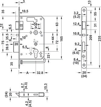
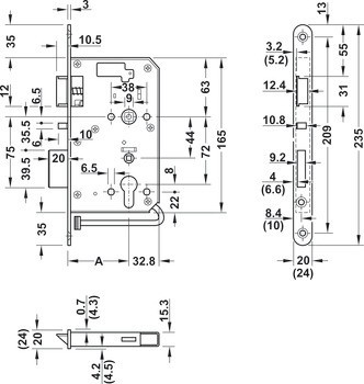
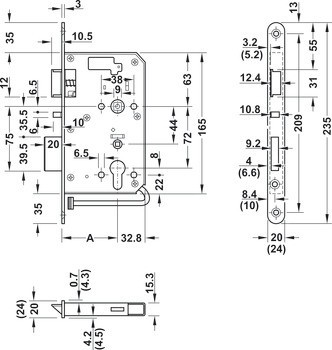
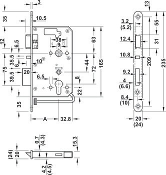
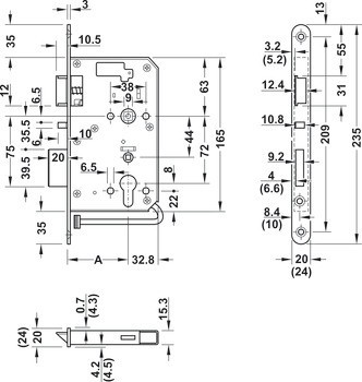
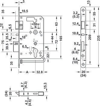
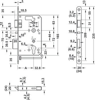
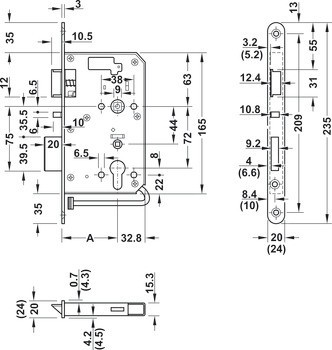
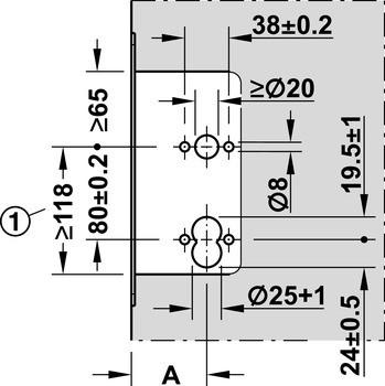
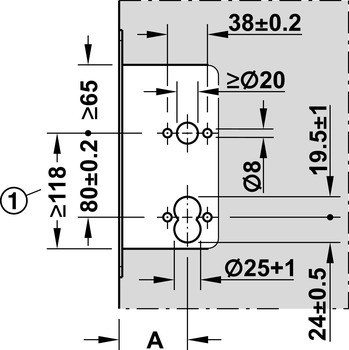
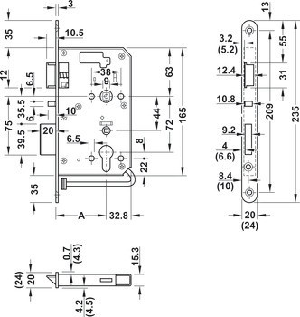
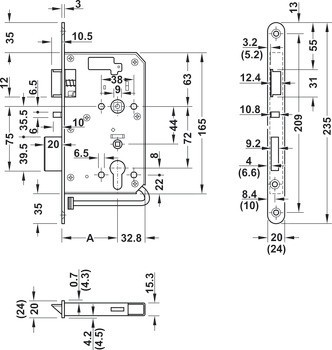
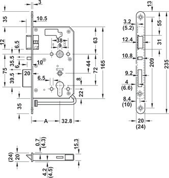
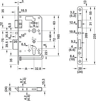
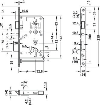
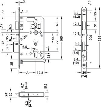
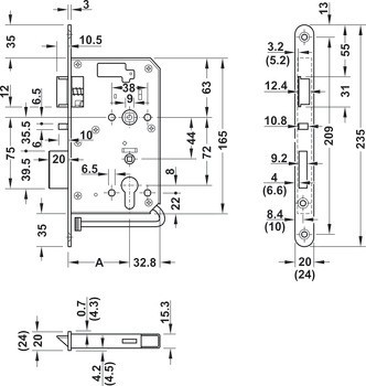
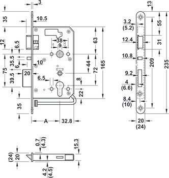
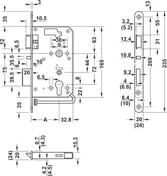
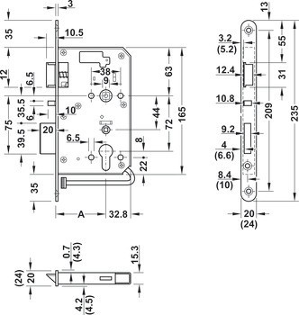
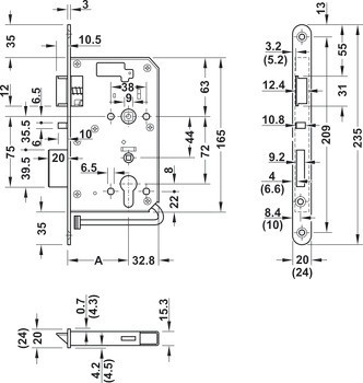
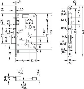
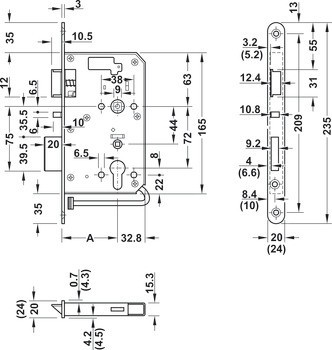
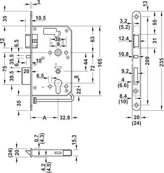
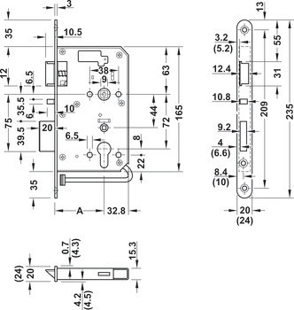
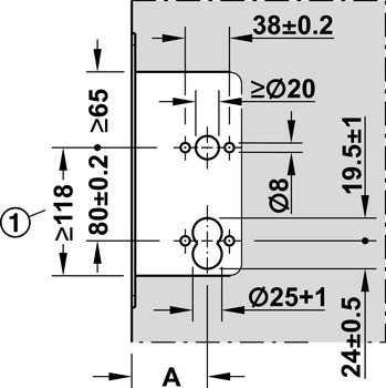
| Backset | | 80,00 mm | 55,00 mm | 65,00 mm | 80.00 mm | 65.00 mm | 55.00 mm | 80.0 mm | 65.0 mm | 55,0 mm | 80,0 mm | 65,0 mm |
| Princip funkce | Určení panikové funkceDveře mohou být otevírány dovnitř nebo ven bez ohledu na stranu montáže.Strana s panikovou funkcí je označena štítkem.Funkce nouzového otevřeníFunkce nouzového otevření je monitorována. (Monitoring)Otevření dveří zvenku: závora a střelková závora jsou zataženy profilovou vložkou (výměna).Otevření dveří zevnitř: závora a střelková závora jsou zataženy stlačením kliky. |
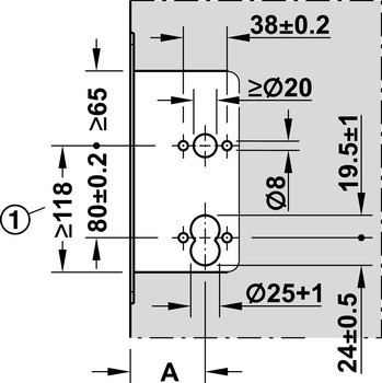
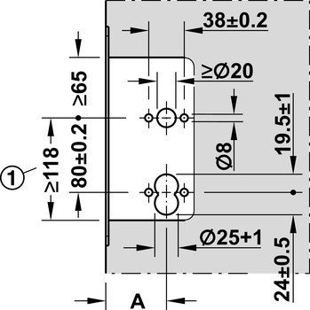
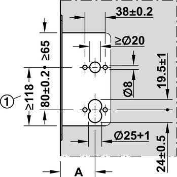
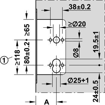
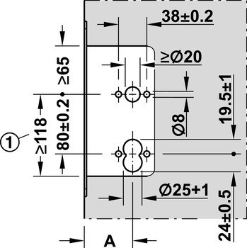
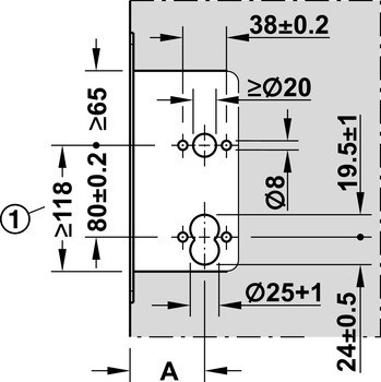
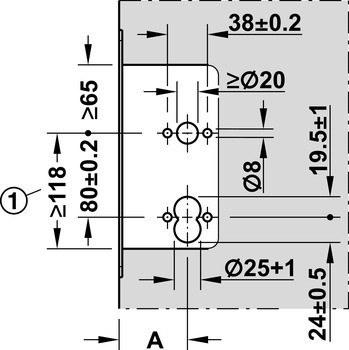
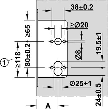
| Montáž | | DIN levý, dovnitř | DIN pravý, dovnitř | DIN levý, ven | DIN pravý, ven |
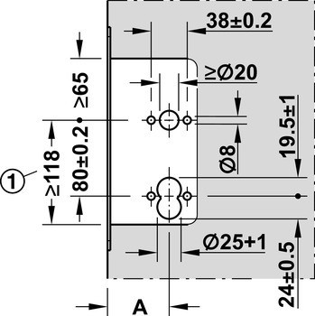
| Konstrukce dveří | | Falcové | Bezfalcové |
| Verze | s blokovací střelkou|Připojovací kabel pro elektrické rozvody a senzory pro spojení s interním modulem DT 400 |
| Funkčnost | S panikovou funkcí|S funkcí nouzového otevření|S monitoringem|Elektricky zamykatelné (vnější klika blokována) |
| Pro typ dveří | Požárně odolné a kouřotěsné dveře |
| Připraveno pro | Profilová vložka |
| Zdvih závory | 1 otáčka |
| Ořech kliky | 9.0 mm | 9,00 mm | 9.00 mm | 9,0 mm |
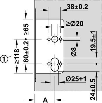
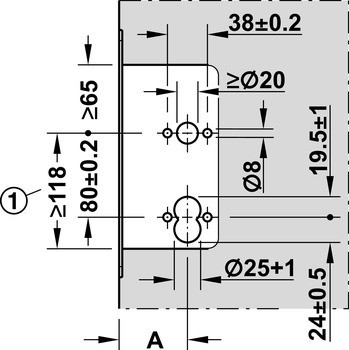
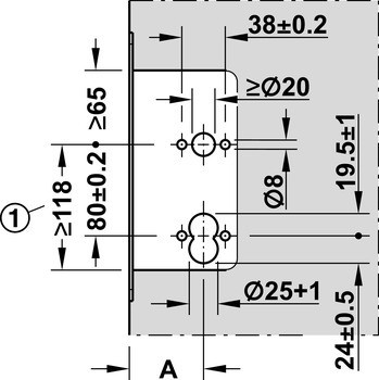
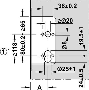
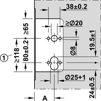
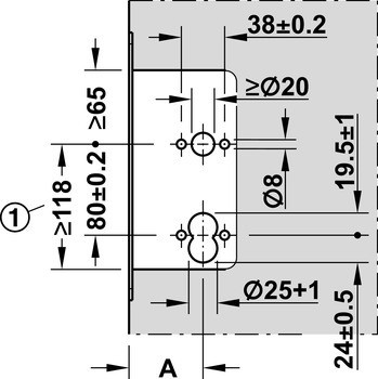
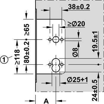
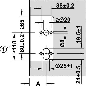
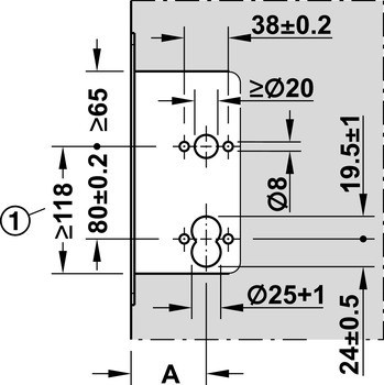
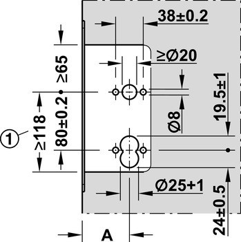
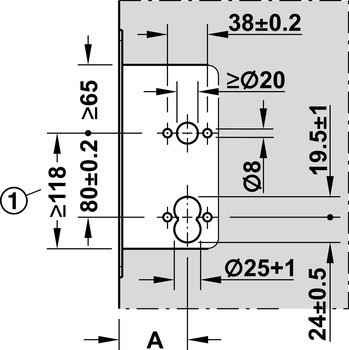
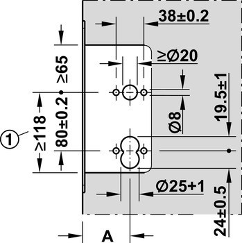
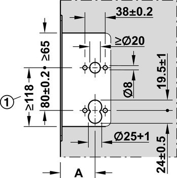
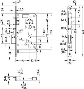
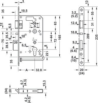
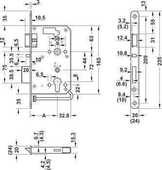
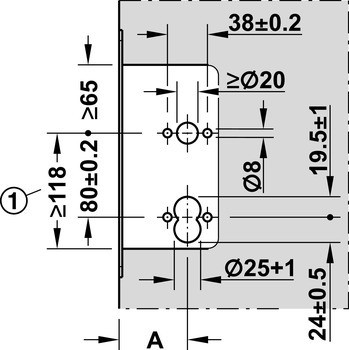
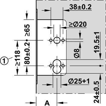
| Rozteč | 72,00 mm | 72.00 mm | 72.0 mm | 72,0 mm |
| Typ odemykání | Elektromechanické |
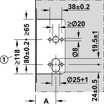
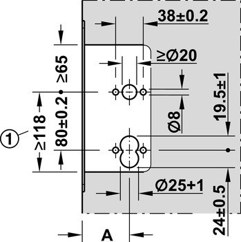
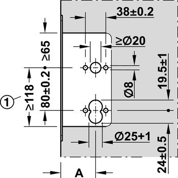
| Šířka čelního plechu | | 20,00 mm | 20.00 mm | 24,00 mm | 24.00 mm | 20.0 mm | 20,0 mm | 24.0 mm | 24,0 mm |
| Design čelního plechu | | Plochý čelní plech zaoblený | Plochý čelní plech s hranami |