




1 zadlabací zámek
1 redukce od 9 do 8 mm
1 sada upevňovacího materiálu





| Barva/povrchová úprava | Střelková závora, závora, tělo zámku a ořech kliky: pozink, Čelní plech: saténsklopná páčka: nikltělo zámku: pozink |
|---|---|
| Materiál | Čelní plech: NerezStřelková závora, závora, tělo zámku a ořech kliky: ocel |
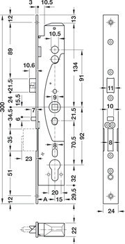
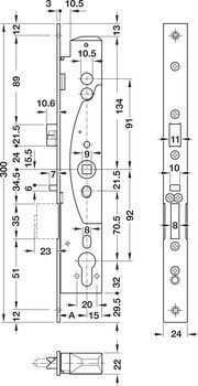
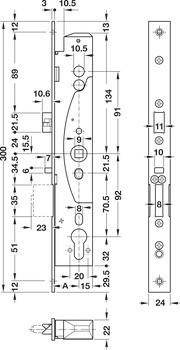
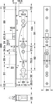
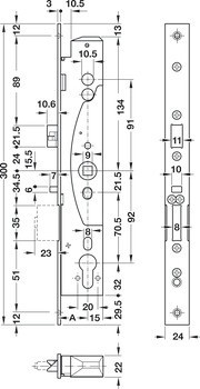
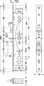
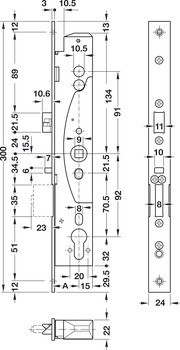
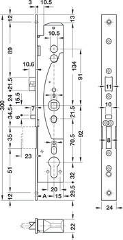
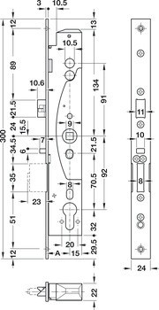
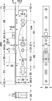
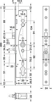
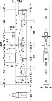
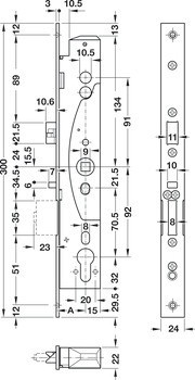
| Backset | | 35,00 mm | 40,00 mm | 30,00 mm | 55,00 mm | 65.00 mm | 45.00 mm |
| Montáž | Pro použití na DIN levé a DIN pravé straně |
| Pro materiál dveří | | rámové dveře | dřevo|Ocel |
| Konstrukce dveří | Bezfalcové |
| Verze | Mechanické ovládání vysunutí a zasunutí dělené střelky a noční západky |
| Funkčnost | Se samozamykáním |
| Pro typ dveří | | Vchodové dveře do budovy | Vchodové dveře do budovy|Dveře s úzkým rámem |
| Připraveno pro | Profilová vložka |
| Ořech kliky | | 9,00 mm | 9.00 mm |
| Rozteč | | 72,00 mm | 72.00 mm |
| Šířka čelního plechu | | 24,00 mm | 24.00 mm |
| Design čelního plechu | | Plochý čelní plech zaoblený | Plochý čelní plech s hranami |
| Norma | vhodné pro únikové cesty v souladu s DIN EN 179 |
| Typ zámku | PC |
| Rozsah použití | Objekty|Únikové cesty |
| Délka čelního plechu | | 300,00 mm | 300.00 mm | 235,00 mm | 235.00 mm |
| Verze závory | Standardní závora |
| Verze střelky | Křížová střelka |
| Funkce panikového zámku | Paniková alternativní funkce E |
| Typ zamykání střelky | Kontrolovaný mechanismus uchycení střelky |