




1 Zadlabací zámek
1 Klíč
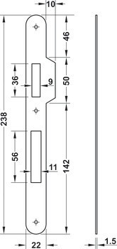
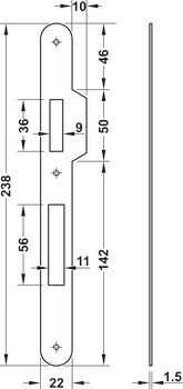
1 Protiplech

| Barva/povrchová úprava | | niklováno |
|---|---|
| Materiál | | Tělo zámku, čelní plech a protiplech: ocel |
| Backset | | 55,00 mm |
| Montáž | | Pro použití na DIN levé a DIN pravé straně |
| Pro materiál dveří | | dřevo |
| Konstrukce dveří | | Falcové |
| Pro typ dveří | | Otočné dveře |
| Ořech kliky | | 8,00 mm |
| Rozteč | | 72,00 mm |
| Šířka čelního plechu | | 20,00 mm |
| Design čelního plechu | | Plochý čelní plech zaoblený |
| Typ zámku | | CB |
| Verze závory | | Standardní závora |
| Materiál/povrchová úprava čelního plechu | | Forend and striking plate: Nickel plated |
| Verze střelky | | Standardní střelka |
| Ovládání zámku | | Ovládání klíčem |