









| Barva/povrchová úprava | | Barva stříbra, antik, lakovaná | Čelní plech: saténsklopná páčka: nikltělo zámku: pozink | barva stříbra, antik, lakovaná |
|---|---|
| Materiál | | Ocel | Čelní plech: Nereztělo zámku: Ocel, KTL povrch (katodické ponoření), střelka a závora: Mosazčtyřhran a ořech: Slinutý kov |
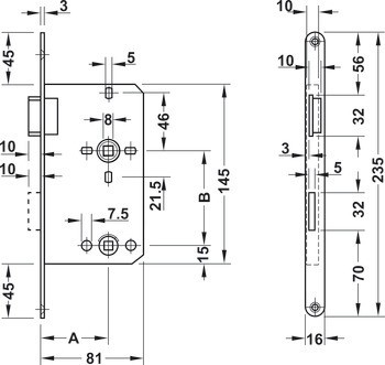
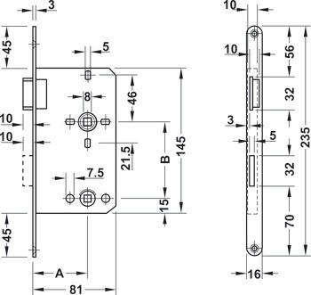
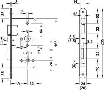
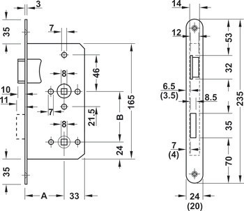
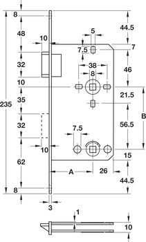
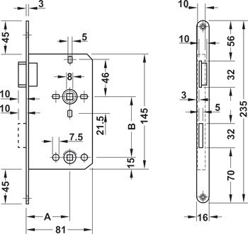
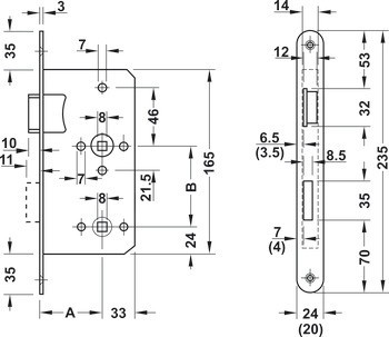
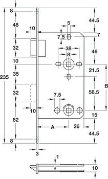
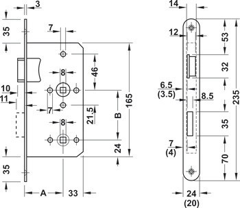
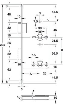
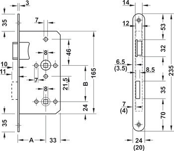
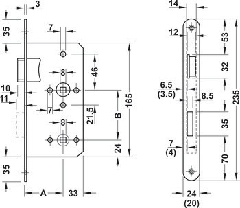
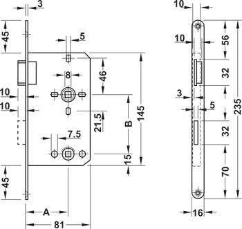
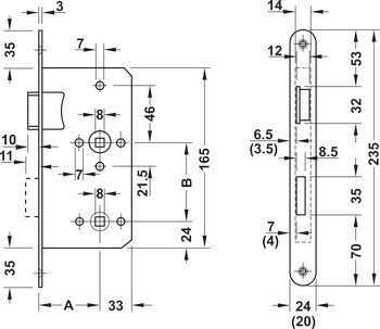
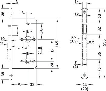
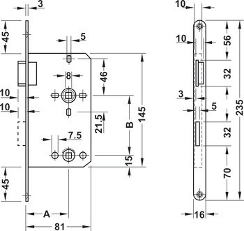
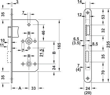
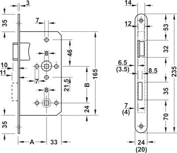
| Backset | | 55,00 mm | 65,00 mm | 65.00 mm | 55,0 mm |
| Montáž | | DIN levý | DIN pravý |
| Pro materiál dveří | dřevo |
| Konstrukce dveří | | Falcové | Bezfalcové |
| Pro typ dveří | Otočné dveře |
| Ořech kliky | 8,00 mm | 8.00 mm | 8,0 mm |
| Rozteč | 78,00 mm | 78.00 mm | 78,0 mm |
| Šířka čelního plechu | | 16,00 mm | 20,00 mm | 20.00 mm | 24,00 mm | 16,0 mm |
| Design čelního plechu | Plochý čelní plech zaoblený |
| Norma | Vhodnost podle DIN 18251 Ano |
| Typ zámku | WC/koupelna |
| Rozsah použití | Rezidenční sektory |
| Délka čelního plechu | 235,00 mm | 235.00 mm | 235,0 mm |
| Verze závory | Standardní závora |
| Materiál/povrchová úprava čelního plechu | |
| Verze střelky | Standardní střelka |
| Verze těla zámku | tenké |