




1 Zadlabací zámek
1 Protiplech




| Barva/povrchová úprava | | Čelní plech: saténsklopná páčka: nikltělo zámku: pozink |
|---|---|
| Materiál | | Čelní plech: Nereztělo zámku: Ocel, KTL povrch (katodické ponoření), střelka a závora: Mosazčtyřhran: Slinutý kov |
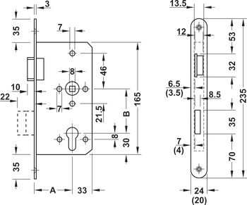
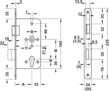
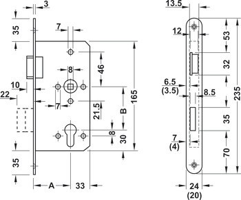
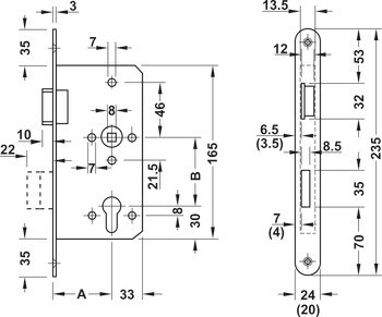
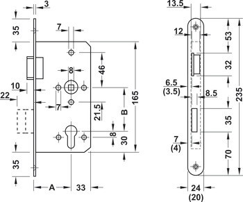
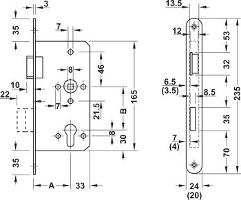
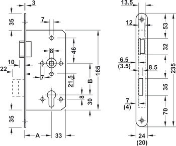
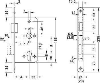
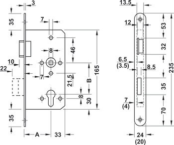
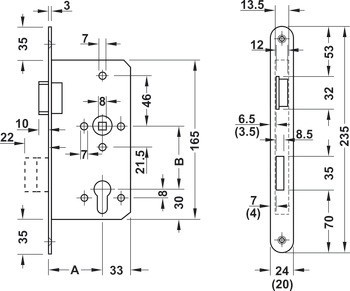
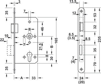
| Backset | | 65,00 mm | 65.00 mm |
| Montáž | | DIN levý | DIN pravý |
| Pro materiál dveří | Dřevo |
| Konstrukce dveří | | Falcové | Bezfalcové |
| Funkčnost | S převodem |
| Pro typ dveří | Otočné dveře |
| Připraveno pro | Profilová vložka |
| Ořech kliky | 8,00 mm | 8.00 mm |
| Rozteč | 72,00 mm | 72.00 mm |
| Šířka čelního plechu | | 20,00 mm | 24,00 mm | 24.00 mm |
| Design čelního plechu | Plochý čelní plech zaoblený |
| Norma | Vhodnost podle DIN 18251 Část 1 |
| Typ zámku | PC |
| Rozsah použití | Objekty |
| Délka čelního plechu | 235,00 mm | 235.00 mm |
| Verze závory | Standardní závora |
| Verze střelky | Standardní střelka |