




1 zadlabací zámek
1 klíč





| Barva/povrchová úprava | | Satén | matná | Matný | barva stříbra, lakovaná | stříbrná |
|---|---|
| Materiál | | Čelní plech: Nerezstřelková závora a závora: Kovtělo zámku: Ocelořech kliky: plast s ocelovým jádrem | Čelní plech: Ocelstřelková závora a závora: Kovtělo zámku: Ocelořech kliky: plast s ocelovým jádrem | Čelní plech: Nerezzávora a tělo zámku: ocelstřelka a čtyřhran: Litina |
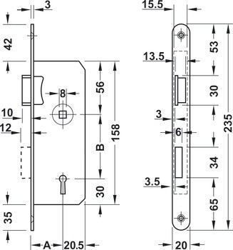
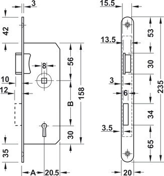
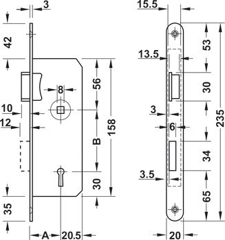
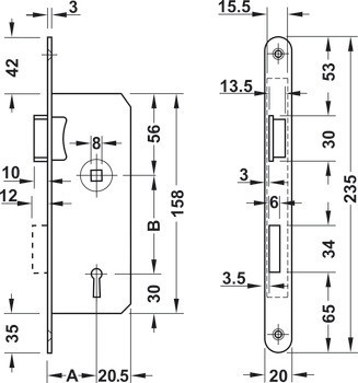
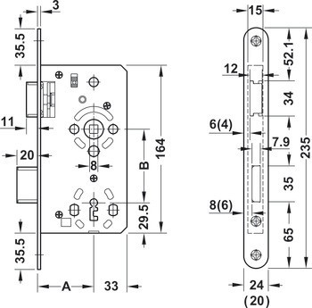
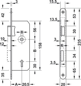
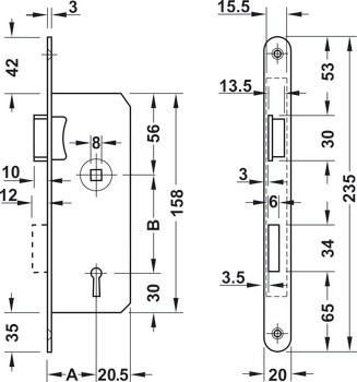
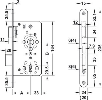
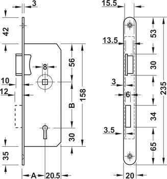
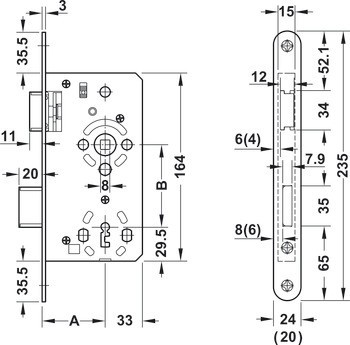
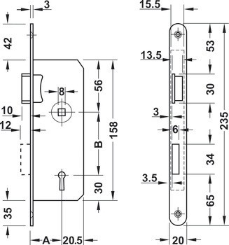
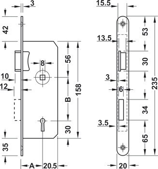
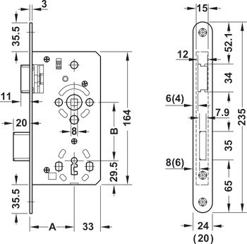
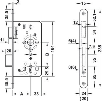
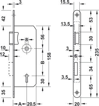
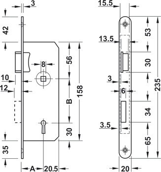
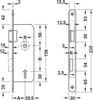
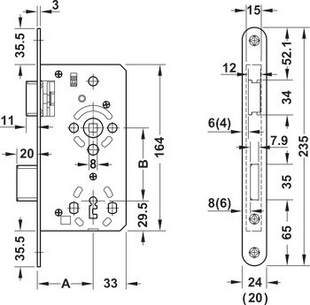
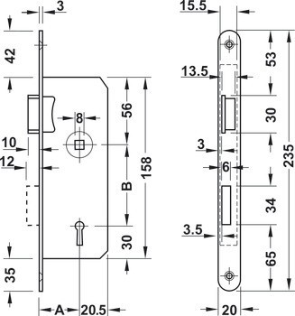
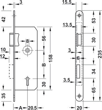
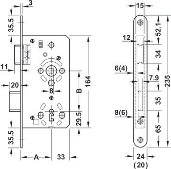
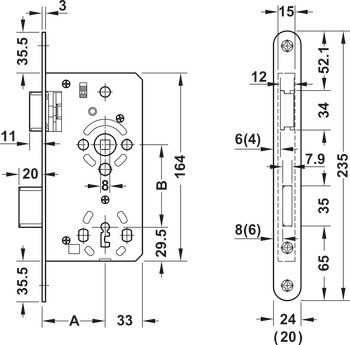
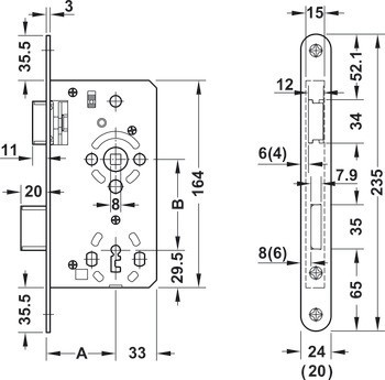
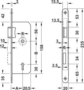
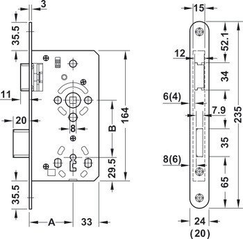
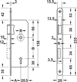
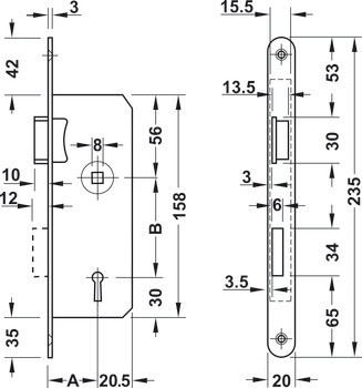
| Backset | | 35,00 mm | 40,00 mm | 45,00 mm | 55,00 mm | 55.00 mm |
| Montáž | | DIN levý | DIN pravý | DIN levý/pravý (reverzní) |
| Pro materiál dveří | Dřevo |
| Konstrukce dveří | Falcové |
| Pro typ dveří | Vnitřní dveře s výřezem ve skle |
| Ořech kliky | 8,00 mm | 8.00 mm |
| Rozteč | 72,00 mm | 72.00 mm |
| Šířka čelního plechu | | 20,00 mm | 24,00 mm | 24.00 mm |
| Design čelního plechu | Plochý čelní plech zaoblený |
| Norma | | Připojovací rozměry v souladu s DIN 18251 | Vhodnost podle DIN 18251 Ano, Připojovací rozměry v souladu s DIN 18251 |
| Typ zámku | CB |
| Rozsah použití | Rezidenční sektory |
| Délka čelního plechu | 235,00 mm | 235.00 mm |
| Verze závory | Standardní závora |
| Materiál/povrchová úprava čelního plechu | |
| Verze střelky | | Standardní střelka | Oboustranná střelková závora |