




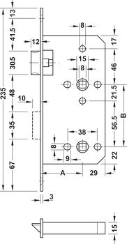
1 zadlabací zámek
1 přírubový protiplech
2 vaničky pro závoru


| Barva/povrchová úprava | Matná kartáčovaná |
|---|---|
| Materiál | | Čelní plech, střelková závora a závora: nerezTělo zámku: ocelVanička pro závoru: plast |
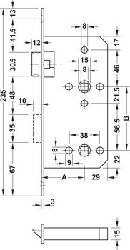
| Backset | |
| Montáž | | DIN levý/pravý (reverzní) |
| Konstrukce dveří | | Falcové | Bezfalcové |
| Verze | Protiplech s vanou pro závoru |
| Pro typ dveří | | Otočné dveře|Požárně odolné a kouřotěsné dveře |
| Rozteč | |
| Šířka čelního plechu | | 20,00 mm |
| Design čelního plechu | | Plochý čelní plech s hranami |
| Norma | | Certifikováno v souladu s EN 12209: 2003 |
| Typ zámku | | WC/koupelna |
| Verze závory | Standardní závora |
| Materiál/povrchová úprava čelního plechu | |
| Verze střelky | | Standardní střelka |
| Klasifikace v souladu s EN 12209 | | 3|S|8|1|0|F|–|B|G|2|0 |