








| Barva/povrchová úprava | | Barva stříbra, lakovaná | matná | Matný | barva stříbra, lakovaná |
|---|---|
| Materiál | | Nerez | Ocel | Nerez (třída 1.4016) |
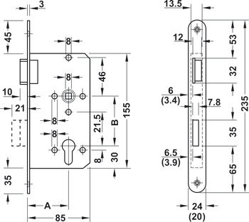
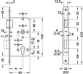
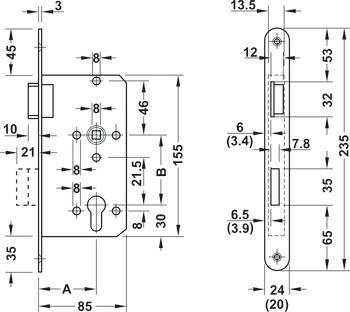
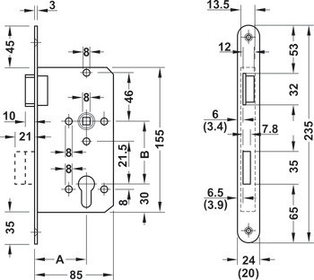
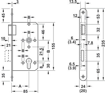
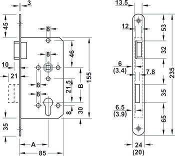
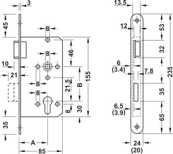
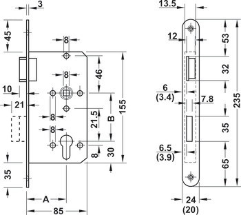
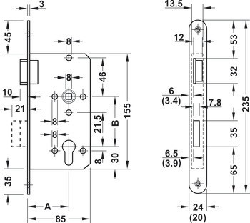
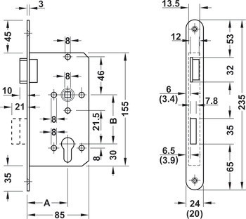
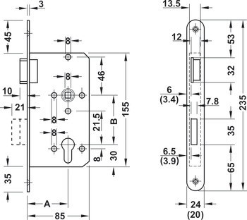
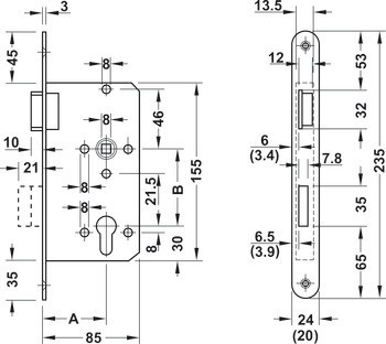
| Backset | | 55.00 mm |
| Montáž | | DIN levý | DIN pravý |
| Pro materiál dveří | Dřevo |
| Konstrukce dveří | | Falcové |
| Funkčnost | s tlumením hluku pro tiché zavírání|S převodem |
| Pro typ dveří | Otočné dveře |
| Připraveno pro | Profilová vložka |
| Ořech kliky | | 8.00 mm |
| Rozteč | | 72.00 mm |
| Šířka čelního plechu | | 20.00 mm |
| Design čelního plechu | Plochý čelní plech zaoblený |
| Norma | Vhodnost podle DIN 18251 Část 1 |
| Typ zámku | PC |
| Rozsah použití | Rezidenční sektory |
| Délka čelního plechu | | 235.00 mm |
| Verze závory | Standardní závora |
| Verze střelky | Střelková závora s tlumením hluku |