









| Barva/povrchová úprava | | Satén | Matný | stříbrná | Leštěná poniklovaná litá ocel, matná |
|---|---|
| Materiál | | nerez | Nerez (třída 1.4016) | Čelní plech: Nerezstřelková závora a závora: Kovtělo zámku: Ocelořech kliky: plast s ocelovým jádrem | Čelní plech: Ocelstřelková závora a závora: Kovtělo zámku: Ocelořech kliky: plast s ocelovým jádrem | Čelní plech: Nerezzávora a tělo zámku: ocelstřelka a čtyřhran: Litina |
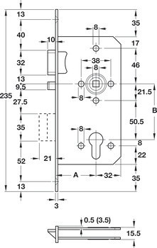
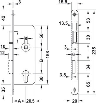
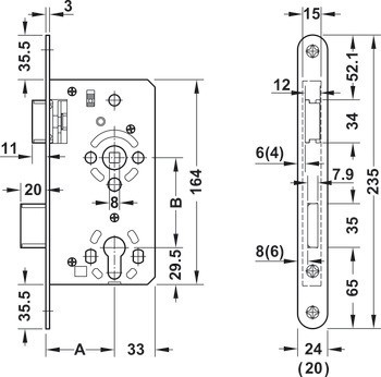
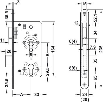
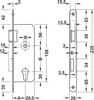
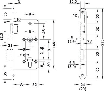
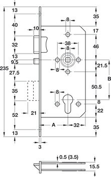
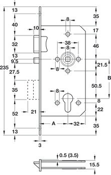
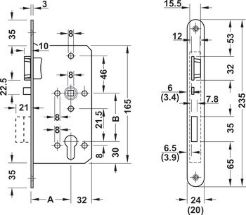
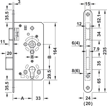
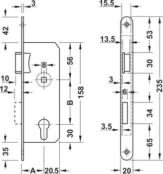
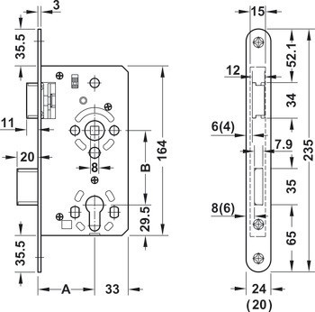
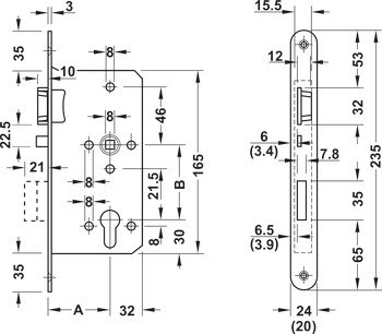
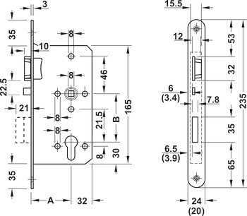
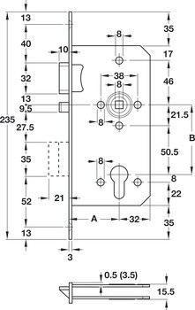
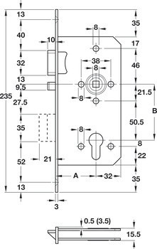
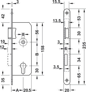
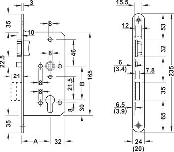
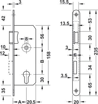
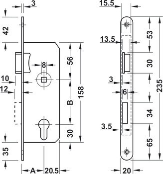
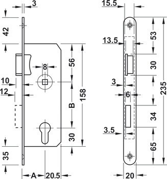
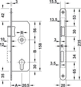
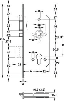
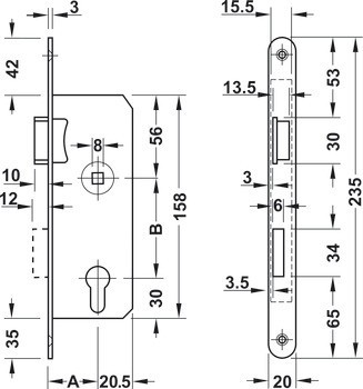
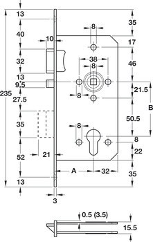
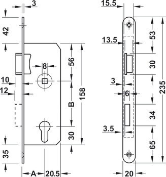
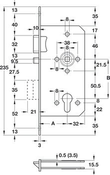
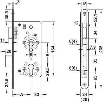
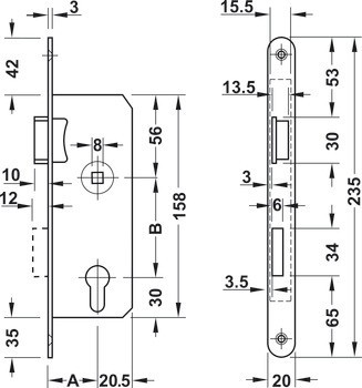
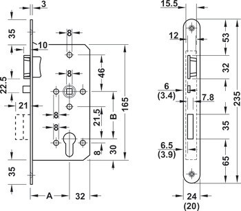
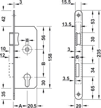
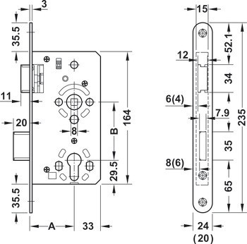
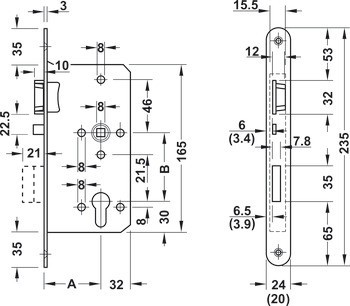
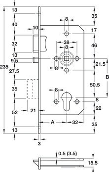
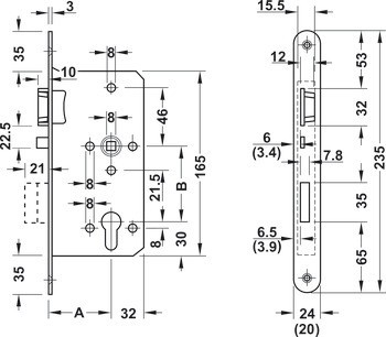
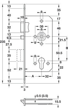
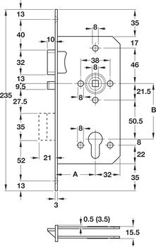
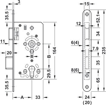
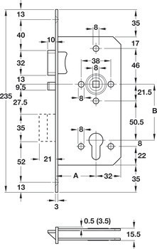
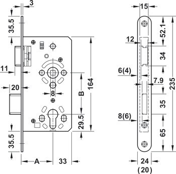
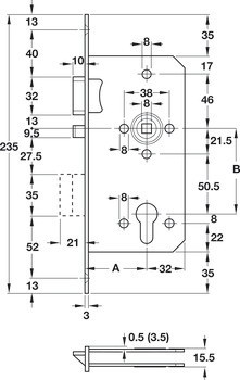
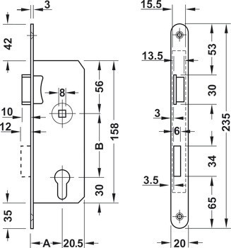
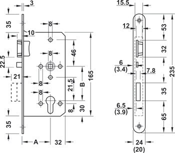
| Backset | | 35,00 mm | 40,00 mm | 45,00 mm | 40.00 mm | 55,00 mm | 65,00 mm | 45.00 mm | 80.0 mm |
| Princip funkce | Blokovací střelková závora zabraňuje zatlačení střelkové závory, např. kreditní kartou. |
| Montáž | | DIN levý | DIN pravý | DIN levý/pravý (reverzní) |
| Pro materiál dveří | dřevo |
| Konstrukce dveří | Falcové |
| Funkčnost | | S převodem | s tlumením hluku pro tiché zavírání|S převodem|s blokovací střelkou |
| Pro typ dveří | | Otočné dveře | Vnitřní dveře s výřezem ve skle|Otočné dveře |
| Připraveno pro | Profilová vložka |
| Ořech kliky | 8.0 mm | 8,00 mm | 8.00 mm |
| Rozteč | 72,00 mm | 72.00 mm | 72.0 mm |
| Šířka čelního plechu | | 20,00 mm | 20.00 mm | 24,00 mm | 20.0 mm |
| Design čelního plechu | Plochý čelní plech zaoblený |
| Norma | | Připojovací rozměry v souladu s DIN 18251 | Vhodnost podle DIN 18251 Část 1, Není dovoleno použití na dveřích s požadavky na požární odolnost a kouřovou ochranu |
| Typ zámku | PC |
| Rozsah použití | Rezidenční sektory |
| Délka čelního plechu | 235,00 mm | 235.00 mm | 235.0 mm |
| Verze závory | Standardní závora |
| Verze střelky | | Standardní střelka | Střelková závora s tlumením hluku | Oboustranná střelková závora |
| Vhodné pro Dialock | Dialock DT 600 FH Moduly dveřního terminálu|DT 210c |