




1 Zadlabací zámek
1 Protiplech


| Barva/povrchová úprava | | Matné | starostříbrně zbarvená, lakovaná |
|---|---|
| Materiál | | Nerez | Ocel |
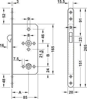
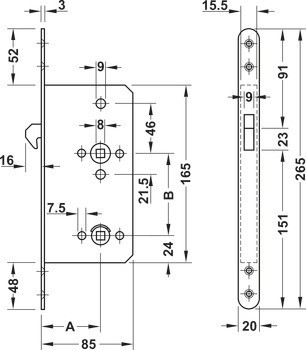
| Backset | 55,00 mm |
| Pro materiál dveří | dřevo |
| Pro typ dveří | Posuvné dveře |
| Ořech kliky | 8,00 mm |
| Rozteč | 78,00 mm |
| Šířka čelního plechu | 20,00 mm |
| Design čelního plechu | Plochý čelní plech zaoblený |
| Typ zámku | WC/koupelna |
| Rozsah použití | Rezidenční sektory |
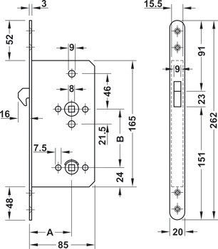
| Délka čelního plechu | 265,00 mm |
| Materiál/povrchová úprava čelního plechu | | Forend and striking plate: Satin stainless steel | Forend and striking plate: Antique silver lacquered steel |
| Verze střelky | Dveřní zástrč |