




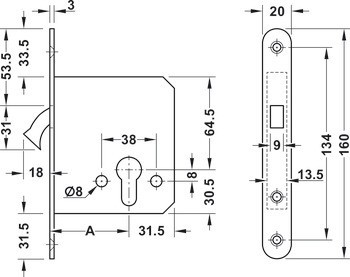
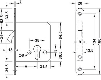
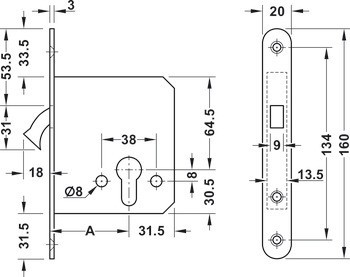
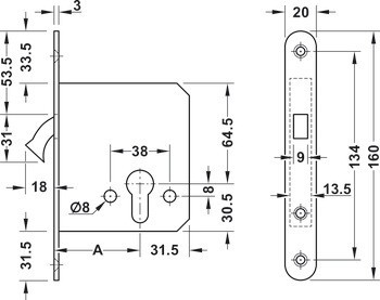
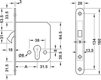
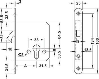
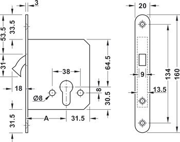
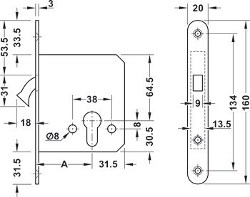
1 zadlabací zámek
1 protiplech



| Barva/povrchová úprava | | Grafitově černá, PVD povrch | Barva mosazi, PVD povrch | Nikl, Nikl |
|---|---|
| Materiál | Čelní plech a protiplech: nerezháková západka: zinková slitinatělo zámku: Ocel |
| Backset | | 55,00 mm | 55.00 mm |
| Pro materiál dveří | dřevo |
| Pro typ dveří | Posuvné dveře |
| Připraveno pro | Profilová vložka |
| Šířka čelního plechu | | 20,00 mm | 20.00 mm |
| Design čelního plechu | Plochý čelní plech zaoblený |
| Typ zámku | PC |
| Rozsah použití | Rezidenční sektory |
| Délka čelního plechu | | 160,00 mm | 160.00 mm |
| Verze závory | Kruhová závora |
| Verze střelky | Bez střelky |
| Ovládání zámku | Ovládání klíčem |