Zavřít
00,00 €
Váš seznam je zatím prázdný.
Menu
Úvodní strana/Stavební kování/Zamykací systémy/Kování pro panikové uzávěry/Zadlabací zámek, pro únikové cesty a panikové prostory, 1759, profilová vložka, BMH

Zadlabací zámek, pro únikové cesty a panikové prostory, 1759, profilová vložka, BMH

-- vyberte --
-- vyberte --
-- vyberte --
-- vyberte --
-- vyberte --
-- vyberte --
-- vyberte --
-- vyberte --
-- vyberte --
-- vyberte --
-- vyberte --
-- vyberte --
-- vyberte --
-- vyberte --
-- vyberte --
-- vyberte --
-- vyberte --
-- vyberte --
-- vyberte --
-- vyberte --
-- vyberte --

Varianty produktu

  • Zadlabací zámek, pro únikové cesty a panikové prostory, 1759, profilová vložka, BMH
    Zadlabací zámek, pro únikové cesty a panikové prostory, 1759, profilová vložka, BMH
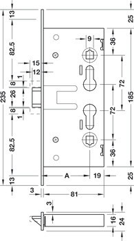
    Barva/povrchová úprava: Čelní plech: pozinkStřelková závora a závora: pozinkTělo zámku: pozink,Materiál: Čelní plech: OcelStřelková závora a závora: ocelTělo zámku: ocel,Backset: 65,00 mm,Montáž: Pro použití na DIN levé a DIN pravé straně,Pro materiál dveří: Ocel,Konstrukce dveří: Bezfalcové,Funkčnost: S převodem,Pro typ dveří: Únikové dveře|Požárně odolné a kouřotěsné dveře,Připraveno pro: Profilová vložka,Zdvih závory: 1 otáčka,Ořech kliky: 9,00 mm,Rozteč: 72,00 mm,Šířka čelního plechu: 24,00 mm,Design čelního plechu: Plochý čelní plech zaoblený,Norma: Certifikováno v souladu s EN 179:2008Normu EN 179 lze splnit pouze ve spojení se společně testovanými sadami kování.,Pro počet dveří: 1křídlé dveře,Rozsah použití: Únikové cesty a panikové prostory,Verze ořechu kliky: Průběžný ořech,Délka čelního plechu: 235,00 mm,Funkce panikového zámku: Paniková alternativní funkce E,Klasifikace v souladu s EN 179: 3|7|7|B|1|3|5|2|A|B, D
    Kód: 911.56.193
    Na objednání u dodavatele
    90,28 €za 1 ks bez DPH

Parametry

Barva/povrchová úprava | Čelní plech: pozinkStřelková závora a závora: pozinkTělo zámku: pozink
Materiál | Čelní plech: OcelStřelková závora a závora: ocelTělo zámku: ocel
Backset | 65,00 mm
Montáž | Pro použití na DIN levé a DIN pravé straně
Pro materiál dveří | Ocel
Konstrukce dveří | Bezfalcové
Funkčnost | S převodem
Pro typ dveří | Únikové dveře|Požárně odolné a kouřotěsné dveře
Připraveno pro | Profilová vložka
Zdvih závory | 1 otáčka
Ořech kliky | 9,00 mm
Rozteč | 72,00 mm
Šířka čelního plechu | 24,00 mm
Design čelního plechu | Plochý čelní plech zaoblený
Norma | Certifikováno v souladu s EN 179:2008Normu EN 179 lze splnit pouze ve spojení se společně testovanými sadami kování.
Pro počet dveří | 1křídlé dveře
Rozsah použití | Únikové cesty a panikové prostory
Verze ořechu kliky | Průběžný ořech
Délka čelního plechu | 235,00 mm
Funkce panikového zámku | Paniková alternativní funkce E
Klasifikace v souladu s EN 179 | 3|7|7|B|1|3|5|2|A|B, D
Směr otevírání