
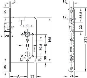
Zadlabací zámek, pro únikové cesty a panikové prostory, B 2170, elektricky připojitelné, BKSBarva/povrchová úprava: Čelní plech: satén, střelková závora a závora: nikl, tělo zámku: pozink,Materiál: Čelní plech: nerez, střelková závora a závora: ocel, tělo zámku: ocel,Backset: 65.00 mm,Montáž: DIN levý/pravý (reverzní),Pro materiál dveří: dřevo|Ocel,Jmenovité napětí: 12 V – 24 V DC,Funkčnost: Se samozamykáním|S monitorováním nouzového otevření|S převodem|S elektronicky spojenou vnější klikou|S integrovanou ovládací elektronikou|Horní zámek lze montovat dodatečně (volitelně)|S integrovanými monitorovacími kontakty|Nastavitelný provozní/klidový proud,Pro typ dveří: Otočné dveře|Únikové dveře|Únikové a panikové dveře|Požárně odolné a kouřotěsné dveře,Připraveno pro: Profilová vložka,Šířka čelního plechu: 24.00 mm,Design čelního plechu: Plochý čelní plech zaoblený,Typ zámku: PC,Rozsah použití: Objekty,Verze ořechu kliky: Dělený ořech,Délka čelního plechu: 235.00 mm,Verze závory: Střelková závora,Funkce panikového zámku: Potlačení panikové funkce,Směr otevírání: Nastavitelné ven/dovnitř,Spínaný výkon: max. 30 V (max. 0,5 A),Špičkový spínací proud: 0.25 A,Určeno pro trvalé zatížení: 100 %
Kód: 911.52.426