









| Barva/povrchová úprava | Barva stříbra, lakovaná | matná | Matný | barva stříbra, lakovaná |
|---|---|
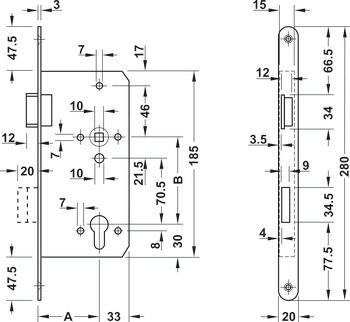
| Materiál | | Nerez | Ocel | Nerez (třída 1.4301) |
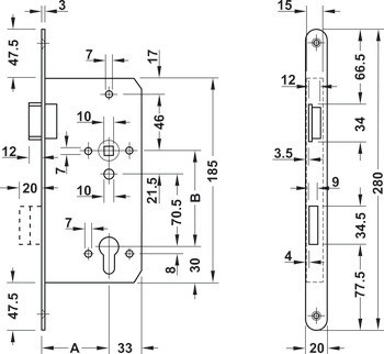
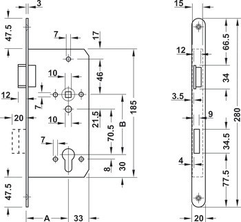
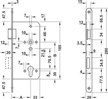
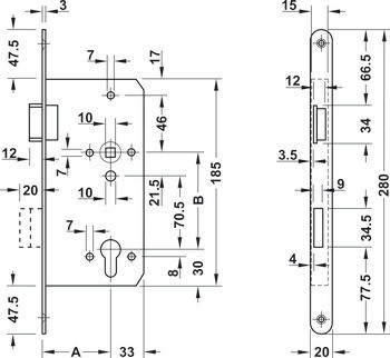
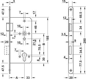
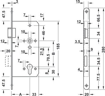
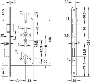
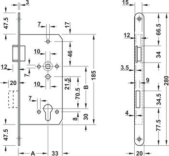
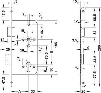
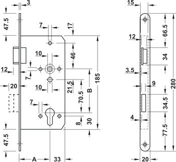
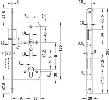
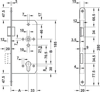
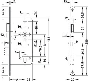
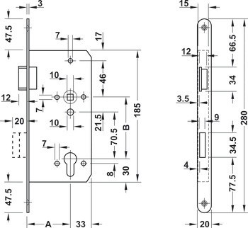
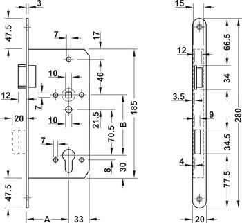
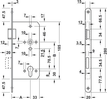
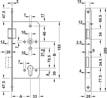
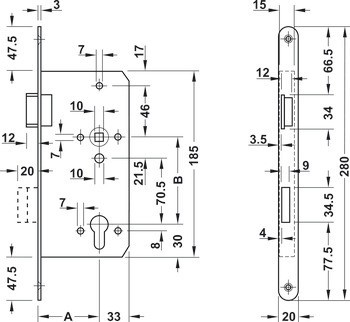
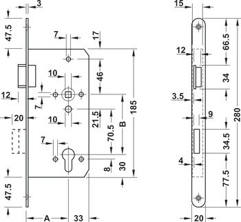
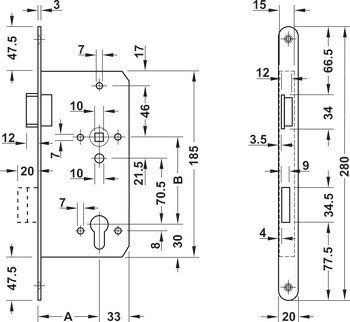
| Backset | | 80,00 mm | 65,00 mm | 65.00 mm |
| Montáž | | DIN levý | DIN pravý |
| Pro materiál dveří | Dřevo |
| Konstrukce dveří | Falcové |
| Funkčnost | S převodem |
| Pro typ dveří | Vchodové dveře do bytu|Vchodové dveře do budovy |
| Připraveno pro | Profilová vložka |
| Ořech kliky | 10,00 mm | 10.00 mm |
| Rozteč | 92,00 mm | 92.00 mm |
| Šířka čelního plechu | 20,00 mm | 20.00 mm |
| Design čelního plechu | Plochý čelní plech zaoblený |
| Typ zámku | PC |
| Rozsah použití | Rezidenční sektory |
| Délka čelního plechu | 280,00 mm | 280.00 mm |
| Verze závory | Standardní závora |
| Materiál/povrchová úprava čelního plechu | |
| Verze střelky | Standardní střelka |