




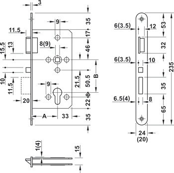
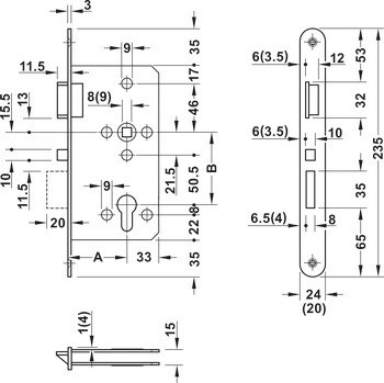
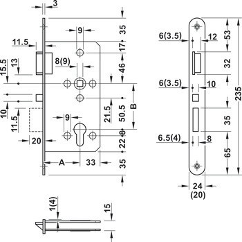
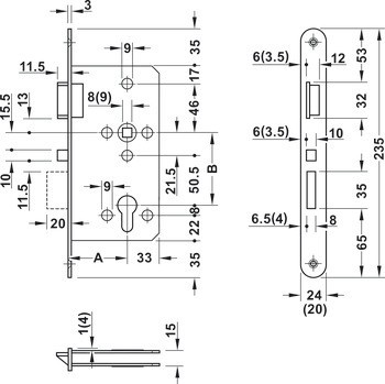
1 Zadlabací zámek
1 Upevňovací šroub vložky





| Barva/povrchová úprava | | Nerez, satinováno | Matný satén |
|---|---|
| Materiál | Nerez |
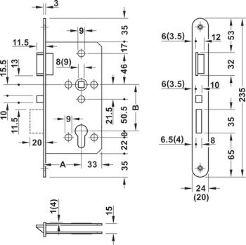
| Backset | | 55,00 mm | 65,00 mm |
| Montáž | | DIN levý | DIN pravý |
| Pro materiál dveří | dřevo |
| Konstrukce dveří | | Falcové | Bezfalcové |
| Funkčnost | S panikovou funkcí|Se samozamykáním|S převodem |
| Pro typ dveří | Standardní dveře |
| Připraveno pro | Profilová vložka |
| Ořech kliky | 8,00 mm |
| Rozteč | 72,00 mm |
| Šířka čelního plechu | | 20,00 mm | 24,00 mm |
| Design čelního plechu | Plochý čelní plech zaoblený |
| Norma | Vhodnost podle DIN 18251 Část 1, třída 3, Certifikováno v souladu s EN 12209: 2003 |
| Pro počet dveří | 1křídlé dveře |
| Typ zámku | PC |
| Rozsah použití | Objekty |
| Délka čelního plechu | 235,00 mm |
| Verze závory | Standardní závora |
| Materiál/povrchová úprava čelního plechu | Stainless steel, satin finish |
| Verze střelky | Standardní střelka |
| Klasifikace v souladu s EN 12209 | 3|S|5|0|0|C|3|B|B|2|0 |
| Vhodné pro Dialock | DT 510|DT 600|DT 100 |
| Vhodné pro elektronický systém řízení kontroly vstupu | Häfele Dialock |