






| Barva/povrchová úprava | | Střelková závora a závora: niklTělo zámku: pozink, Čelní plech: saténsklopná páčka: nikltělo zámku: pozink |
|---|---|
| Materiál | | Čelní plech: Nerezstřelková závora a táhlo: oceltělo zámku: Ocel |
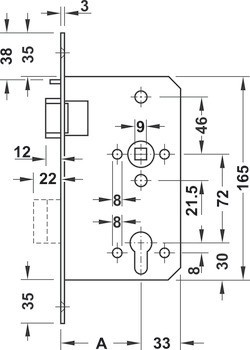
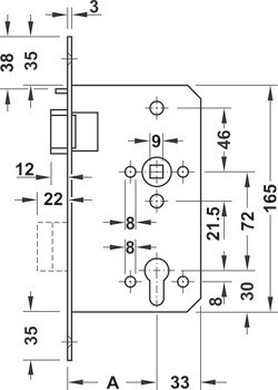
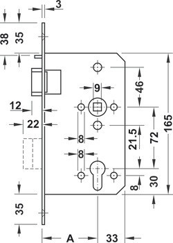
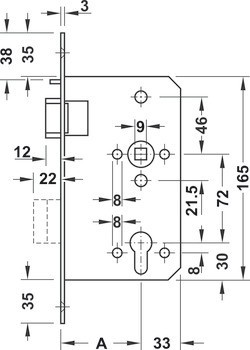
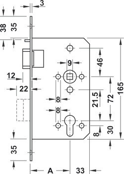
| Backset | | 65,00 mm | 65.00 mm |
| Princip funkce | | UvnitřDveře mají zevnitř kliku. Blokovací střelková závora, která je zajištěna pomocnou střelkovou závorou, a předzamknutá závora jsou zataženy stlačením kliky. Dveře lze otevřít.VnějšíDveře mají zvenku pevnou knobku. Blokovací střelkovou závoru a závoru lze ovládat pomocí vložky s knobkou. Dveře jsou po zavření zamknuty blokovací střelkovou závorou. Dveře je možné otevřít pouze pomocí vložky s knobkou. Blokovací střelková závora je zatažena ovládáním vložky s knobkou. Ovládání vložky s knobkou rovněž umožňuje zamknutí a odemknutí dveří. |
| Montáž | | DIN levý | DIN pravý |
| Pro materiál dveří | | Dřevo|Ocel |
| Konstrukce dveří | | Falcové/bezfalcové |
| Funkčnost | | S převodem |
| Pro typ dveří | | Požárně odolné dveře|Únikové dveře|Vnější a propojovací dveře |
| Připraveno pro | | Vložka s knobkou s nedefinovanou demontážní polohou zamykacího trnu |
| Zdvih závory | | 2 otáčky |
| Ořech kliky | | 9,00 mm | 9.00 mm |
| Rozteč | | 72,00 mm | 72.00 mm |
| Šířka čelního plechu | | 24,00 mm | 24.00 mm |
| Design čelního plechu | | Plochý čelní plech zaoblený |
| Norma | | Certifikováno v souladu s EN 179:1997 + A1:2001Normu EN 179 lze splnit pouze ve spojení se společně testovanými sadami kování. |
| Rozsah použití | | Únikové cesty a panikové prostory |
| Verze ořechu kliky | | Průběžný ořech |
| Délka čelního plechu | | 235,00 mm | 235.00 mm |
| Verze závory | | Standardní závora |
| Funkce panikového zámku | | Paniková alternativní funkce E |