




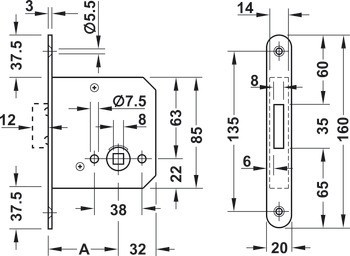
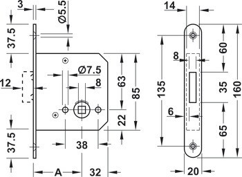
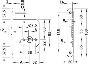
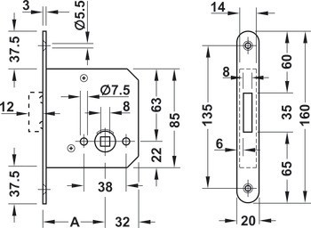
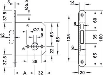
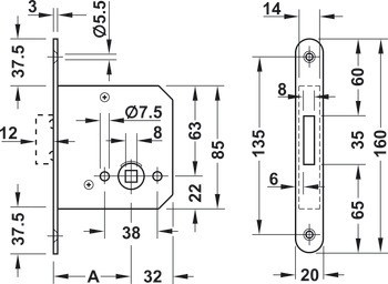
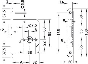
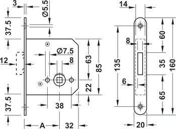
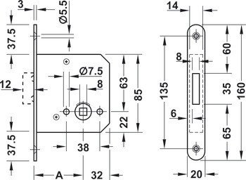
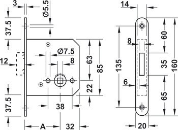
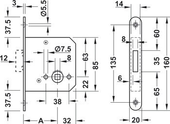
1 zadlabací zámek závorový
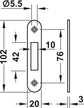
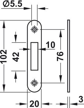
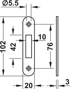
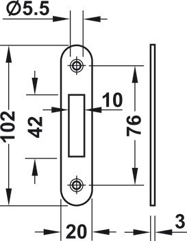
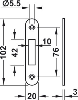
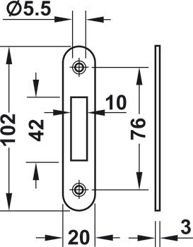
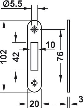
1 protiplech




| Barva/povrchová úprava | | Barva stříbra, lakovaná | matná | Matný | barva stříbra, lakovaná |
|---|---|
| Materiál | | Nerez | Ocel | Satén nerez ocel |
| Backset | | 55,00 mm | 65,00 mm | 65.00 mm |
| Montáž | Pro použití na DIN levé a DIN pravé straně |
| Pro materiál dveří | dřevo |
| Konstrukce dveří | Falcové |
| Pro typ dveří | Otočné dveře |
| Šířka čelního plechu | 20,00 mm | 20.00 mm |
| Design čelního plechu | Plochý čelní plech zaoblený |
| Typ zámku | WC/koupelna |
| Rozsah použití | Rezidenční sektory |
| Délka čelního plechu | 160,00 mm | 160.00 mm |
| Verze závory | Standardní závora |
| Verze střelky | Bez střelky |