







| Barva/povrchová úprava | | Černý | Barva stříbra | Bílá, RAL 9016 |
|---|---|
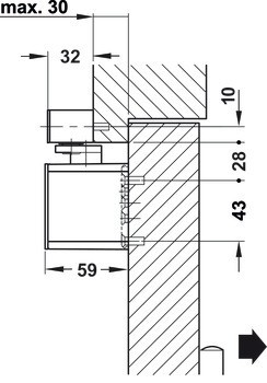
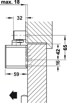
| Model | Dormakaba TS 98 XEA |
| Montáž | DIN levé/pravé |
| Zavírací síla | 1–6 v souladu s EN 1154 |
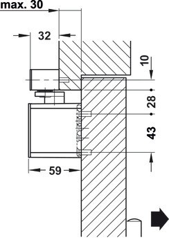
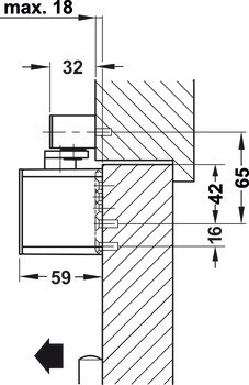
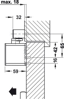
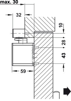
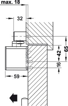
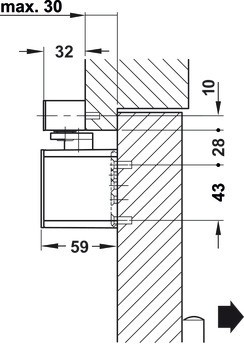
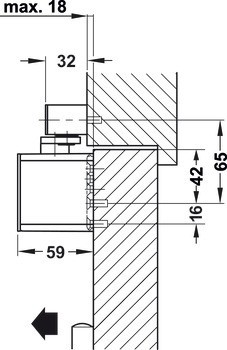
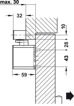
| Způsob montáže | Standardní montáž (montáž dveřního křídla) na straně závěsů|Horní montáž (upevnění na nosník) na straně závěsů|Horní montáž (upevnění na nosník) na opačné straně závěsů|Standardní montáž (montáž dveřního křídla) na opačné straně závěsů |