





| Verze | Zámek pro celoskleněné posuvné dveře, pro profilovou vložku, bez krytek |
|---|---|
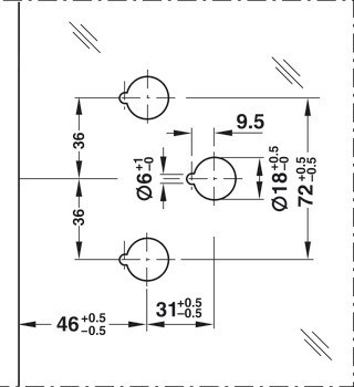
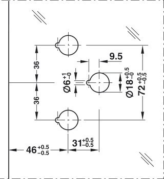
| Backset | 51,00 mm |
| Montáž | | Pro použití na DIN levé a DIN pravé straně |
| Pro tloušťku skla s tvrzeným bezpečnostním sklem (ESG) | |
| Pro počet dveří | | 1křídlé a 2křídlé dveře |
| Pro tloušťku skla s vrstveným bezpečnostním sklem (VSG) | | 8.7 – 12.7 mm |
| Pro typ skla | | Tvrzené bezpečnostní sklo (ESG)|vrstvené bezpečnostní sklo VG |
| Typ zámku | | PC |