









| Verze | Krátké vysunutí závory |
|---|---|
| Barva/povrchová úprava | | Nikl, Nikl | černá, niklováno, Nikl | niklováno, Nikl |
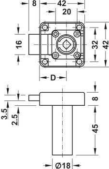
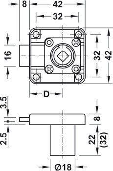
| Rozsah použití | Pro zámkové vložky vsazované zepředu na místě realizace |
| Montáž | | K přišroubování | Pravý | Zásuvková verze (otočení klíče vpravo) | Levé |
| Materiál | Zinková slitina |
| Montáž | | Pravý | Zásuvková verze (otočení klíče vpravo) | Levé |
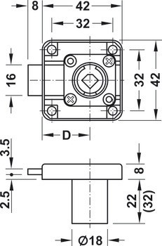
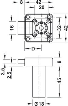
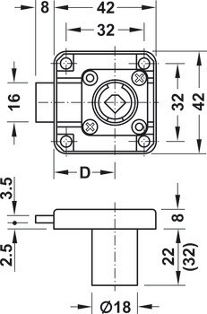
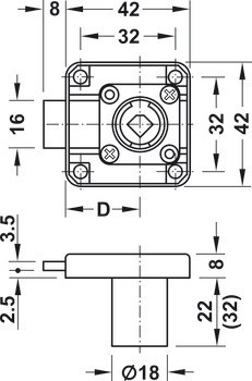
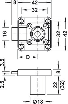
| Průměr vložky | | 18,00 mm | 18.00 mm |
| Backset | | 25,00 mm | 25.00 mm |
| Rozměr zdvihu závory | | 8,00 mm | 8.00 mm |
| Montáž | | pravé | levé | Zásuvková verze (otočení klíče vpravo) |
| Délka těla vložky | | 32,00 mm | 45,00 mm | 22,00 mm | 22.00 mm |
| Připraveno pro | Kruhová vložka |