




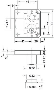
1 zámek se závorou k přišroubování
2 klíč
1 rozeta zámku

| Verze | S pevnou vložkou s pinovými stavítky |
|---|---|
| Barva/povrchová úprava | Tělo: lesklý niklVložka: matný nikl, Tělo: lesklý niklvložka: matný nikl |
| Montáž | K přišroubování |
| Materiál | Tělo zámku: ocelvložka: mosaz |
| Uzamykací série | Individuální |
| Tvar vložky | Kruhová vložka |
| Průměr vložky | 22,00 mm |
| Typ uzávěru | s 5 pinovými stavítky |
| Zamykací systém | Přizpůsobený standardní profil |
| Backset | 40,00 mm |
| Rozměr zdvihu závory | 9,00 mm |
| Délka těla vložky | 22,25 mm |