




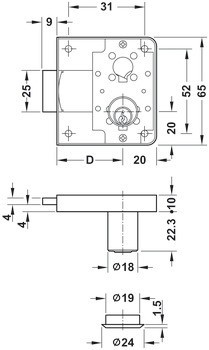
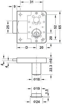
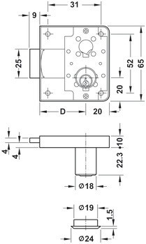
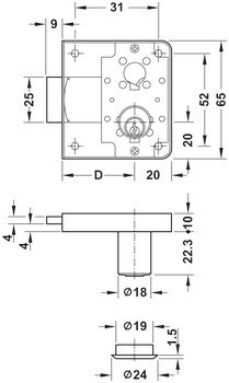
1 zámek se závorou k přišroubování
2 klíč
1 rozeta zámku




| Verze | s vložkou s pinovými stavítky |
|---|---|
| Barva/povrchová úprava | Tělo: lesklý niklVložka: matný nikl, Tělo: lesklý niklvložka: matný nikl |
| Montáž | | Pravý | Levé |
| Materiál | Tělo zámku: ocelvložka: mosaz |
| Poznámka k montáži | Při montáži zásuvky je backset zmenšen o 3 mm. |
| Montáž | | Pravý | Levé |
| Uzamykací série | | Individuální uzávěr | H 1 |
| Tvar vložky | kruhová vložka |
| Průměr vložky | 18,00 mm | 18.00 mm | 18,0 mm |
| Typ uzávěru | s 5 pinovými stavítky |
| Zamykací systém | Standardní profil |
| Typ uzavření | | Individuální uzávěr | Společný uzávěr |
| Backset | 25,00 mm | 25.00 mm | 25,0 mm |
| Rozměr zdvihu závory | 9,00 mm | 9.00 mm | 9,0 mm |
| Montáž | | pravé | levé |
| Délka těla vložky | 22,30 mm | 22,3 mm | 22.30 mm |