






| Verze | | pro zazděné zárubně | pro obložkové zárubně |
|---|---|
| Barva/povrchová úprava | | nikl |
| Rozsah použití | | pro dřevěné zárubně,pro falcové dřevěné vnitřní dveře,vhodné pro dveře s malou tloušťkou naložení |
| Materiál | | Ocel |
| Model | | 315 GL-FR | 315 GL-RA |
| Modely | | Herkula 315 GL-RA, Herkula 315 GL-FR |
| Montáž | | Pro použití na DIN levé a DIN pravé straně |
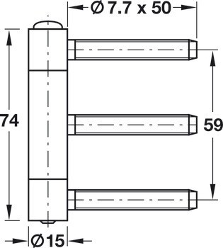
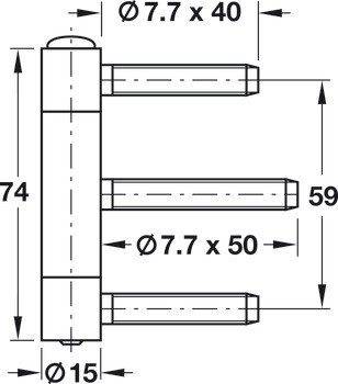
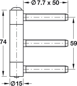
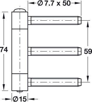
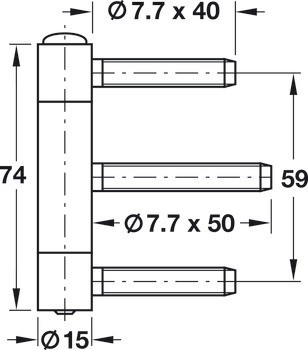
| Průměr patice | | 15,00 mm | 15.00 mm |
| Pro průměr vrtaného otvoru | | 1. krok 6,3 mm|2. krok 7,2 mm |
| Rozsah naložení | | ≥12 mm |
| Typ ložiska | | Kluzné ložisko, bezúdržbové |
| Pro typ zárubně | | Dřevěný rám |
| Max. hmotnost dveří pro 2 závěsy | | 55,00 kg | 55.00 kg |
| Pro typ dveří | | Dřevěné dveřní křídlo |
| Délka patice | | 74,00 mm | 74.00 mm |