









| Verze | pro zazděné zárubně | pro obložkové zárubně |
|---|---|
| Barva/povrchová úprava | | matný | nikl | Bílá, Zinek |
| Rozsah použití | Pro dřevěné zárubněpro falcové dřevěné přední dveře |
| Materiál | | Nerez | Ocel |
| Model | | 320 SM-RA | 320 SM-FR |
| Zařízení pro nastavení | Side adjustment ±4 mm |
| Modely | Herkula 315 GL-RA, Herkula 315 GL-FR |
| Doplňkové zajištění | | s bezpečnostním čepem | bez bezpečnostního čepu |
| Montáž | Pro použití na DIN levé a DIN pravé straně |
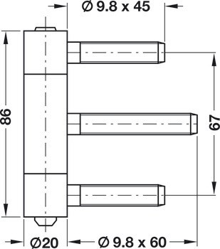
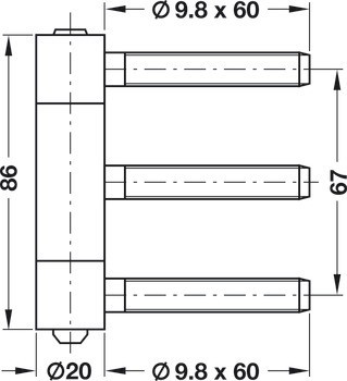
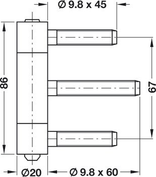
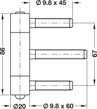
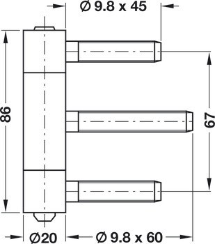
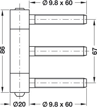
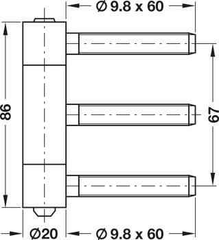
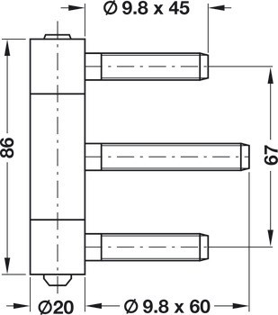
| Průměr patice | 20,00 mm | 20.00 mm | 20,0 mm |
| Pro průměr vrtaného otvoru | 1. krok 7,7 mm|2. krok 8,7 mm |
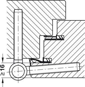
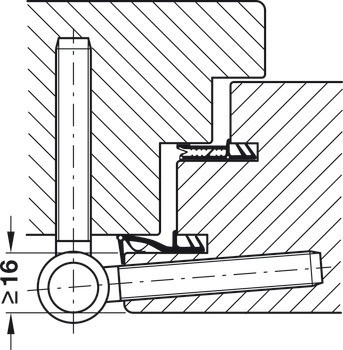
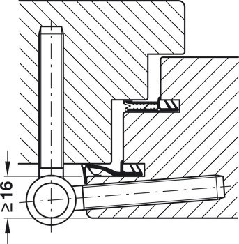
| Rozsah naložení | ≥16 mm |
| Typ ložiska | Samomazné slinuté kovové ložisko |
| Pro typ zárubně | Dřevěný rám |
| Max. hmotnost dveří pro 2 závěsy | 120,00 kg | 120.00 kg | 120,0 kg |
| Norma | Vydání EN 1935:2002 |
| Třída | 2|7|3|0|1|2|0|10 |
| Max. hmotnost dveří pro 3 závěsy | 150,00 kg | 150.00 kg | 150,0 kg |
| Pro typ dveří | Dřevěné dveřní křídlo |
| Délka patice | 86,00 mm | 86.00 mm | 86,0 mm |
| Pojistka | s bezpečnostním čepem pro dveře otevírané ven (volitelně) |