






| Verze | | Výběr různých designů zakončení |
|---|---|
| Barva/povrchová úprava | | nikl |
| Rozsah použití | | Pro dřevěné zárubně, pro falcové dřevěné vnitřní dveře |
| Materiál | | Ocel |
| Model | | V 5450 |
| Modely | V 5450 |
| Montáž | | DIN levý | DIN pravý |
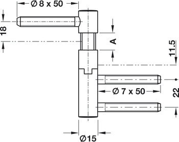
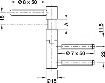
| Průměr patice | | 15,00 mm | 15.00 mm |
| Pro průměr vrtaného otvoru | | Část dveřního křídla 6,8 mm|Část zárubně 7,2 mm |
| Pro typ zárubně | Dřevěný rám |
| Max. hmotnost dveří pro 2 závěsy | | 40.00 kg | 40,00 kg |
| Pro typ dveří | Dřevěné dveřní křídlo |