







| Verze | Bez CP |
|---|---|
| Barva/povrchová úprava | | matný | matný, nikl | matný, chrom |
| Rozsah použití | Pro dřevěné zárubněpro bezfalcové objektové dveře |
| Materiál | | Nerez | Ocel |
| Model | VN 2929/120 |
| Pin Diameter | 10,00 mm |
| Modely | VN 2929/120 |
| Montáž | Pro použití na DIN levé a DIN pravé straně |
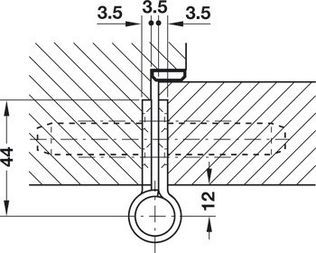
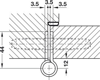
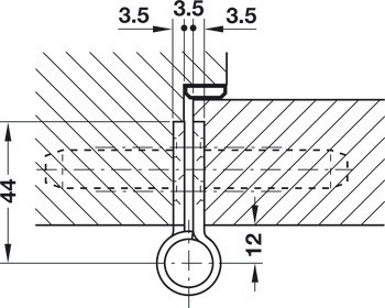
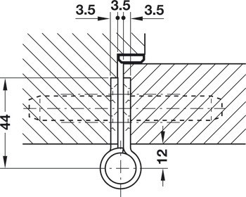
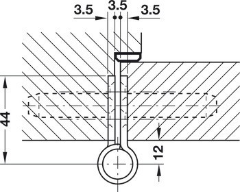
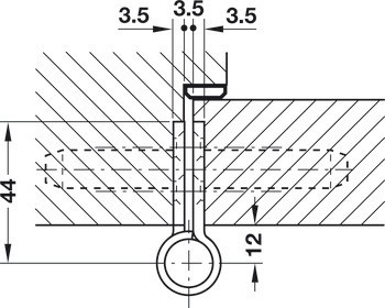
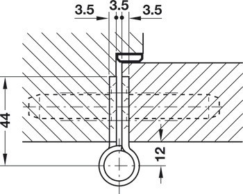
| Tvar příruby | kulaté |
| Tloušťka příruby | 3,50 mm |
| Průměr patice | 20,00 mm |
| Typ ložiska | Axiálně-radiální kluzné ložisko, bezúdržbové |
| Výška příruby | 120 mm |
| Průměr frézovacího bitu | 24,00 mm |
| Poloměr | 12,00 mm |
| Pro typ zárubně | Dřevěný rám |
| Max. hmotnost dveří pro 2 závěsy | 120,00 kg |
| Norma | Vydání EN 1935:2002 |
| Třída | 4|7|6|1|1|4|1|13 | 4|7|6|1|1|0|1|13 | 4|7|6|1|1|1|1|13 |
| Poznámka | Odolnost proti korozi 0/1/4:0 = ocel, leštěná mosaz/matný nikl1 = ocel, matný chrom4 = saténový nerez |
| Šířka příruby | 32 mm |
| Délka patice | 120,00 mm |