






| Verze | | Bez CP |
|---|---|
| Barva/povrchová úprava | | matný | matný, nikl |
| Rozsah použití | | pro dřevěné, ocelové nebo hliníkové zárubně,pro falcové objektové dveře |
| Materiál | | Nerez | Ocel |
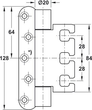
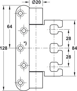
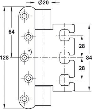
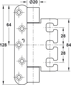
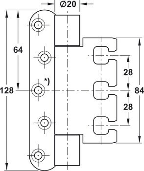
| Model | | VX 7939/120 |
| Pin Diameter | | 10,00 mm |
| Modely | VX 7939/120 |
| Montáž | | Pro použití na DIN levé a DIN pravé straně |
| Tvar příruby | | kulaté |
| Tloušťka příruby | | 3,50 mm |
| Průměr patice | | 20,00 mm |
| Typ ložiska | | Axiálně-radiální kluzné ložisko, bezúdržbové |
| Výška příruby | | 128 mm / 84 mm |
| Průměr frézovacího bitu | | 24,00 mm |
| Poloměr | | 12,00 mm |
| Pro typ zárubně | Ocelový rám|Dřevěný rám|Hliníkový rámeček |
| Max. hmotnost dveří pro 2 závěsy | | 120,00 kg |
| Norma | | Vydání EN 1935:2002 |
| Třída | 4|7|6|1|1|4|1|13 | 4|7|6|1|1|0|1|13 |
| Poznámka | Odolnost proti korozi 0/1/4:0 = ocel, leštěná mosaz/matný nikl1 = ocel, matný chrom4 = saténový nerez |
| Délka patice | 120,00 mm |