






| Verze | | Šířka příruby 35 mm (volitelně) | Šířka příruby 25 mm (volitelně) |
|---|---|
| Barva/povrchová úprava | matný |
| Rozsah použití | Pro dřevěné zárubněpro bezfalcové objektové dveře |
| Materiál | Nerez |
| Model | DHB 1120 |
| Pin Diameter | 10,00 mm |
| Modely | DHB 1120 |
| Montáž | Pro použití na DIN levé a DIN pravé straně |
| Tvar příruby | kulaté |
| Tloušťka příruby | 3,00 mm |
| Průměr patice | 20,00 mm |
| Typ ložiska | Plastové kluzné ložisko, bezúdržbové |
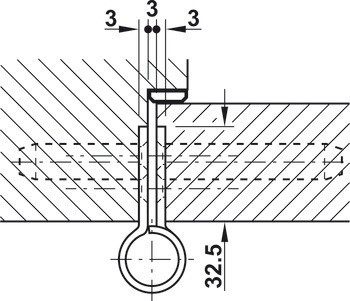
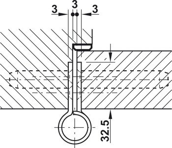
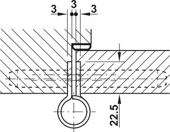
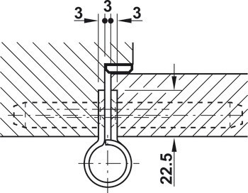
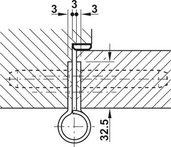
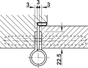
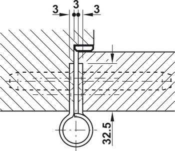
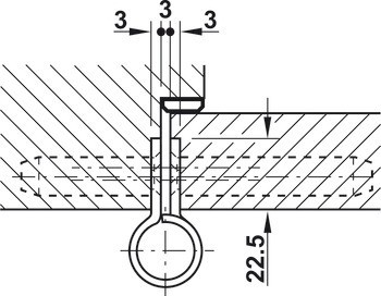
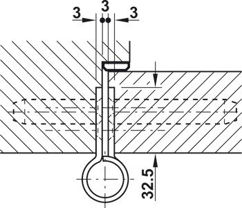
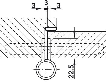
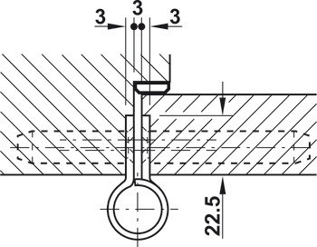
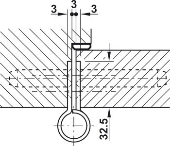
| Výška příruby | 120 mm |
| Průměr frézovacího bitu | 24,00 mm |
| Poloměr | 12,00 mm |
| Pro typ zárubně | Dřevěný rám |
| Max. hmotnost dveří pro 2 závěsy | 120,00 kg |
| Norma | Vydání EN 1935:2002 |
| Třída | 4|7|6|1|1|4|0|13 |
| Poznámka | Odolnost proti korozi 3/4:3 = ocel, barva niklu, matný lak4 = saténový nerez |
| Šířka příruby | | 25 mm | 35 mm |
| Délka patice | 120,00 mm |
| Pojistka | s integrovaným dvojitým bezpečnostním čepem |