





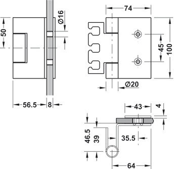
| Rozsah použití | Pro bezfalcové dřevěné, ocelové nebo hliníkové zárubně |
|---|---|
| Materiál | Nerez |
| Barva/povrchová úprava | matný |
| Model | GHX 2100 K |
| Pro tloušťku skla | 8 – 12 mm |
| Montáž | Pro použití na DIN levé a DIN pravé straně |
| Průměr patice | 20.00 mm |
| Hmotnost dveří max. | 80.00 kg |