




1 závěs pro skleněné dveře
Sada šroubů pro tloušťku skla 6–10 mm s plastovým těsněním

| Rozsah použití | | Pro naložené dveře |
|---|---|
| Montáž | | K přišroubování do řady vrtaných otvorů 32 mm, bez zkosení dveří |
| Barva/povrchová úprava | nikl, Součást krytu dveří: kartáčovaná |
| Zařízení pro nastavení | | Side adjustment -2/+1 mm, Height adjustment ±2 mm, Depth adjustment ±1 mm |
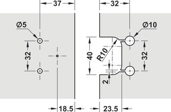
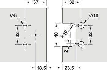
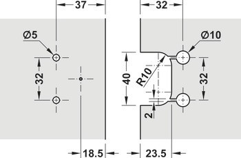
| Pro tloušťku skla | | 6 – 16 mm |
| Průměr patice | 5,50 mm |
| Pro materiál dveří | | dřevo, sklo |
| Materiál | | Zinková slitina |
| Úhel otevření | 195° – 270° |
| Šířka dveří max. | | 600,00 mm |
| Vybavení | | se záskočkou |
| Pro průměr vrtaného otvoru | | 5 mm |
| Konstrukce dveří | | Naložení |
| Furniture Construction | pro skleněné/dřevěné konstrukce |