




2 závěsy
2 montážní podložky
2 krytky, černé nebo bílé
Montážní návod


| Barva/povrchová úprava | | Závěs a montážní podložka: černáKrytka: černá | Závěs a montážní podložka: černáKrytka: bílá |
|---|---|
| Rozsah použití | | pro víko, pro středně velká víka |
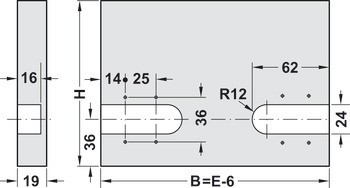
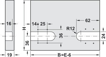
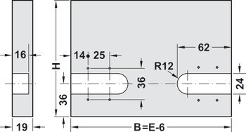
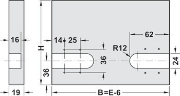
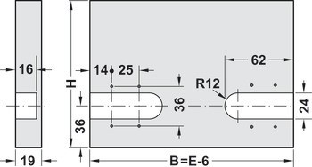
| Montáž | | Pro zápustnou montáž |
| Materiál | | Plast |
| Úhel otevření | | 105,00 ° | 105.0 ° |
| Točivý moment | | 600 – 800 Ncm |