




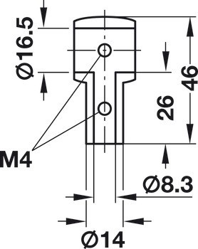
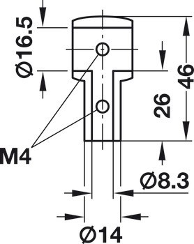
Sada šroubu M4 a imbus klíče

| Verze | | Kulatý |
|---|---|
| Barva/povrchová úprava | |
| Rozsah použití | | Pro trubku relingu ⌀ 16 mm |
| Montáž | | Připevnění neviditelné nebo skryté zdola |
| Materiál | |
| Materiál | Zinková slitina |
| Barva/povrchová úprava | chrom, leštěné |
| Design relingu | | kulaté |