






| Verze | | S integrovaným mechanismem tlumení Blumotion (lze deaktivovat) |
|---|---|
| Barva/povrchová úprava | | nikl |
| Rozsah použití | | Pro dřevěné dveře |
| Montáž | | Dveře na korpusu bez nářadí s klip systémem |
| Zařízení pro nastavení | | Side adjustment 2 mm, Height adjustment -3 – 3 mm, Výškové nastavení podle montážní podložky |
| Materiál | | Ocel |
| Typ zalomení | | rohová instalace |
| Pro materiál dveří | | dřevo |
| Verze nábytkového závěsu | | zahnuté aplikace |
| Zpracování dveří pro sestavení | | s vrtáním misky |
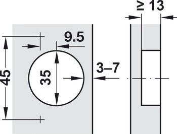
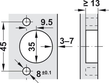
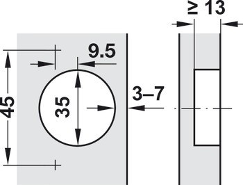
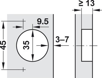
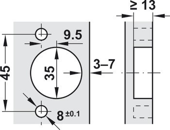
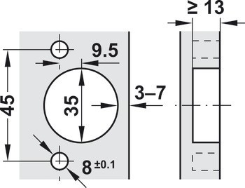
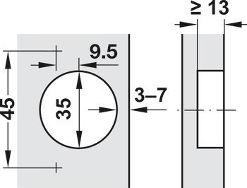
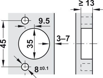
| Hloubka vrtání misky | | 13,00 mm | 13.00 mm |
| Verze | | S automatickou dovírací mechanikou, s mechanismem tlumeného zavírání (lze deaktivovat) |
| Montáž misky závěsu | | k přišroubování | Bez nářadí (Inserta) |
| Rohové aplikace | | –35°, –30° a –25° |
| Úhel otevření | | 110° |
| Model No. | | 79B3451 | 79B3491 |
| Vzor vrtání | | 45/9,5 |
| Průměr vrtání misky | | 35,00 mm | 35.00 mm |