






| Verze | | S integrovaným mechanismem tlumení Blumotion (lze deaktivovat) |
|---|---|
| Barva/povrchová úprava | | nikl |
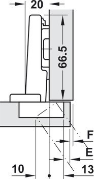
| Rozsah použití | | Pro velké naložení dveří do 20 mm |
| Montáž | | Dveře na korpusu bez nářadí s klip systémem |
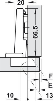
| Zařízení pro nastavení | | Side adjustment ±2 mm, Height adjustment ±3 mm, Depth adjustment -2/+3 mm, Výškové nastavení podle montážní podložky |
| Materiál | | Ocel |
| Typ zalomení | | Rovné |
| Pro materiál dveří | | Dřevo |
| Verze nábytkového závěsu | | plně naložené |
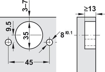
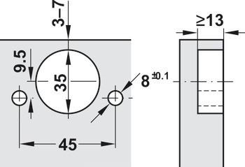
| Zpracování dveří pro sestavení | | s vrtáním misky |
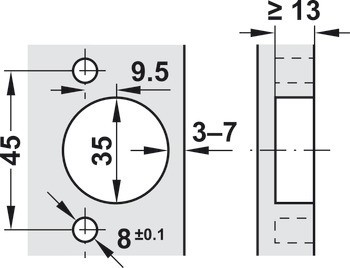
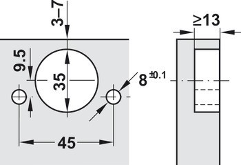
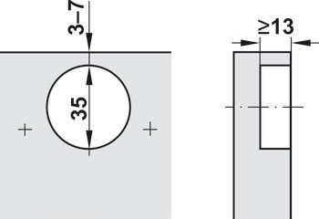
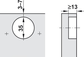
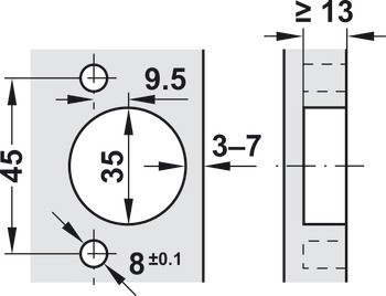
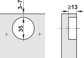
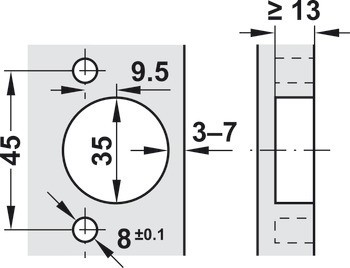
| Hloubka vrtání misky | | 13,00 mm | 13.00 mm |
| Verze | | S automatickou dovírací mechanikou, s mechanismem tlumeného zavírání (lze deaktivovat) |
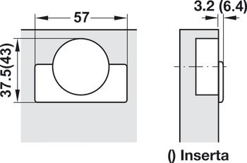
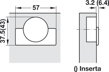
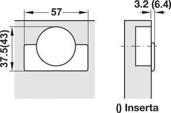
| Montáž misky závěsu | | K nalisování | Bez nářadí (Inserta) |
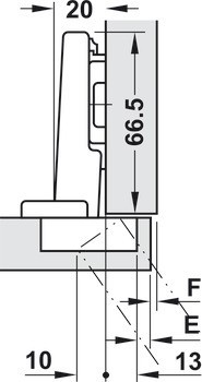
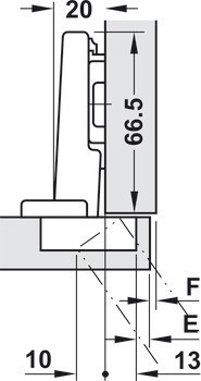
| Úhel otevření | | 110° |
| Model No. | | 73B3580 | 73B3590 |
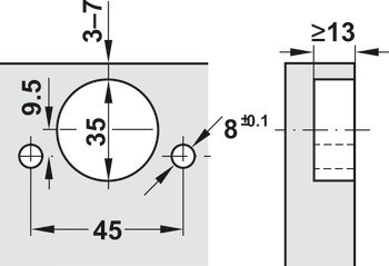
| Vzor vrtání | | 45/9,5 |
| Průměr vrtání misky | | 35,00 mm | 35.00 mm |