






| Barva/povrchová úprava | | nikl |
|---|---|
| Rozsah použití | | Pro úzké hliníkové rámečky s šířkou rámečku od 17 do 24 mm |
| Montáž | | Dveře na korpus s nasouvací technikou A nebo systémem rychlomontáže SM |
| Materiál | | Miska: Zinková slitina, Ramínko závěsu: Ocel |
| Typ zalomení | | Velmi zalomené |
| Pro materiál dveří | | Hliníkový rámeček |
| Verze nábytkového závěsu | | vložka |
| Zpracování dveří pro sestavení | | bez |
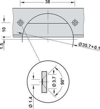
| Hloubka vrtání misky | 12.50 mm |
| Verze | | S automatickou dovírací mechanikou, S mechanismem tlumeného zavírání | S automatickou dovírací mechanikou, Bez mechanismu tlumení |
| Montáž misky závěsu | | k přišroubování |
| Pro šířku hliníkového rámečku | | ≥19 mm | 17 – 24 mm |
| Úhel otevření | | 105° |
| Vzor vrtání | 38/10 |