









| Barva/povrchová úprava | | nikl | Miska: Barva titanu, galvanicky pozinkováno, Ramínko závěsu: Barva titanu, Zinek |
|---|---|
| Rozsah použití | pro standardní aplikace |
| Montáž | Dveře na korpus s nasouvací technikou A nebo systémem rychlomontáže SM |
| Zařízení pro nastavení | Side adjustment -1.5/+4,5 mm, Height adjustment ±2 mm, nastavení hloubky s montážními podložkami Metalla 510 A +2,8 mm, s montážními podložkami Metalla 510 SM od -0,5/+2,8 mm |
| Materiál | Ocel |
| Typ zalomení | | Zalomené | Velmi zalomené |
| Pro materiál dveří | Dřevo |
| Verze nábytkového závěsu | vložka |
| Zpracování dveří pro sestavení | s vrtáním misky |
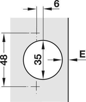
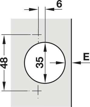
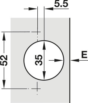
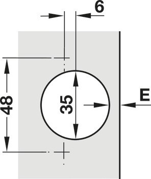
| Hloubka vrtání misky | | 11.0 mm | 13,50 mm | 11,00 mm | 11.00 mm | 13.50 mm |
| Verze | | S automatickou dovírací mechanikou, S mechanismem tlumeného zavírání | S automatickou dovírací mechanikou, Bez mechanismu tlumení | Bez automatické zavírací pružiny, Bez mechanismu tlumení |
| Montáž misky závěsu | | K nalisování | k naražení | k přišroubování | bez nářadí |
| Úhel otevření | 110° |
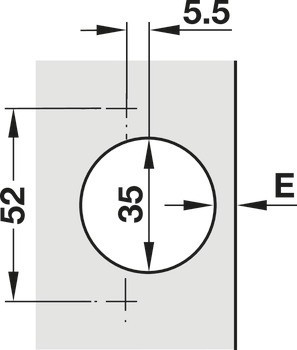
| Vzor vrtání | | 48/6 | 52/5,5 | 45/9,5 |
| Průměr vrtání misky | | 35,00 mm | 35.00 mm | 35.0 mm |