









| Barva/povrchová úprava | nikl |
|---|---|
| Rozsah použití | pro standardní aplikace |
| Montáž | Dveře na korpusu bez nářadí s klip systémem |
| Poznámka k montáži | Nastavte zpět polohu montážní podložky k přišroubování podle tloušťky dveří +1,5 mm. |
| Zařízení pro nastavení | Side adjustment 2 mm, Height adjustment -2.5 – 2.5 mm, Výškové nastavení podle montážní podložky | Side adjustment 2 mm, Height adjustment -2.5 – 2.5 mm, Depth adjustment -2 / +3 mm, Výškové nastavení podle montážní podložky |
| Materiál | Miska: Ocel, Ramínko závěsu: Zinková slitina |
| Typ zalomení | Velmi zalomené |
| Pro materiál dveří | dřevo |
| Verze nábytkového závěsu | vložka |
| Zpracování dveří pro sestavení | s vrtáním misky |
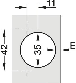
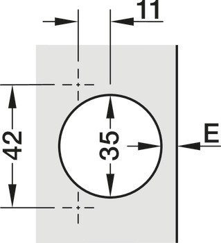
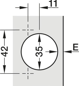
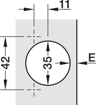
| Hloubka vrtání misky | 12,60 mm | 12.60 mm |
| Verze | | S automatickou dovírací mechanikou, S mechanismem tlumeného zavírání | S automatickou dovírací mechanikou, Bez mechanismu tlumení | Bez mechanismu tlumení, S automatickým otevíracím mechanismem (Push) |
| Vzor vrtání | |
| Montáž misky závěsu | | k přišroubování | bez nářadí |
| Úhel otevření | 110° |
| Vzor vrtání | 45/9,5 | 42/11 |
| Průměr vrtání misky | 35,00 mm | 35.00 mm |