




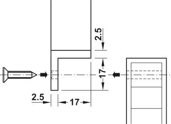
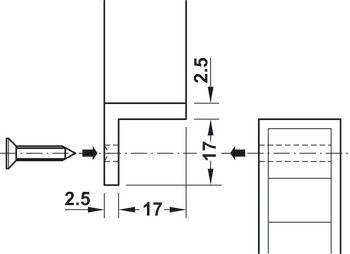
s upevňovacím materiálem
(vruty do dřevotřísky ⌀ 4,0 x 45 mm a hmoždinky)

| Barva/povrchová úprava | Matná kartáčovaná |
|---|---|
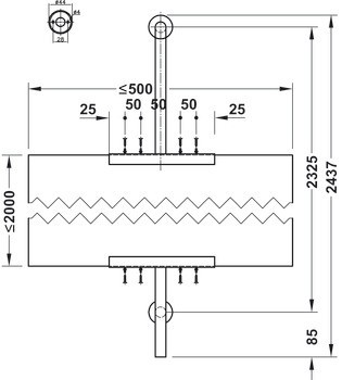
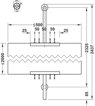
| Rozsah použití | Pro dřevěné panely max. tloušťky 20 mm |
| Montáž | Pro montáž na stěnu, panely k přišroubování |
| Materiál | Nerez, třída 1.4305/AISI 303 |