









| Verze | | s mechanismem tlumeného dotahu | S Push-to-Open | s mechanismem dotahu |
|---|---|
| Barva/povrchová úprava | | Zinek, Pozink | Pozink, Pozink |
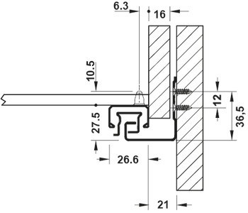
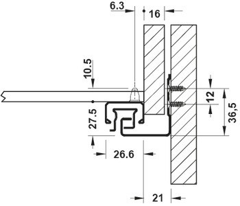
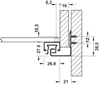
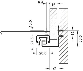
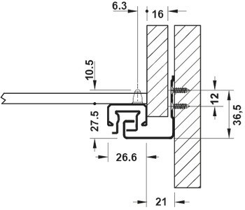
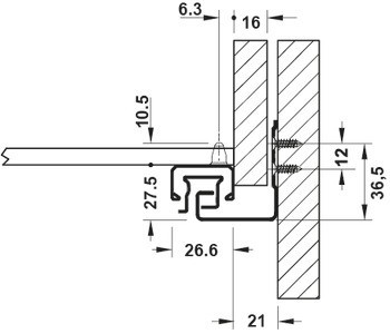
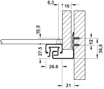
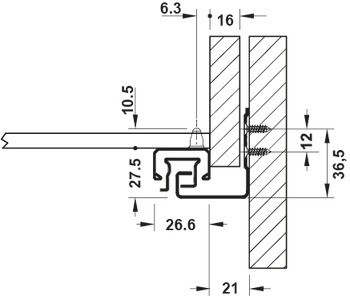
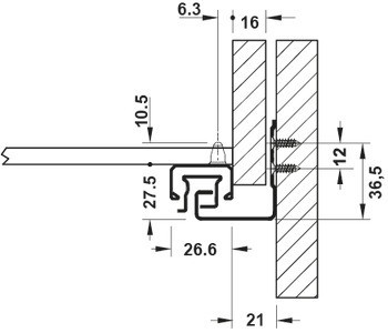
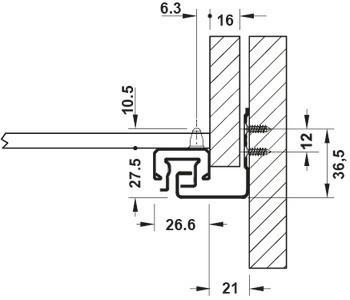
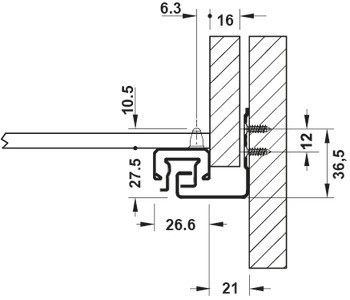
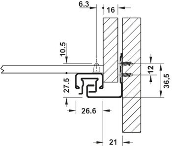
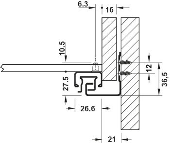
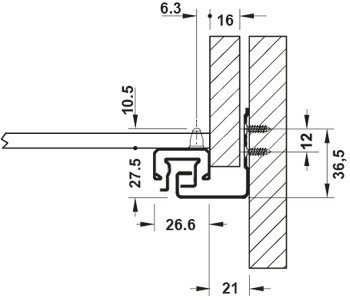
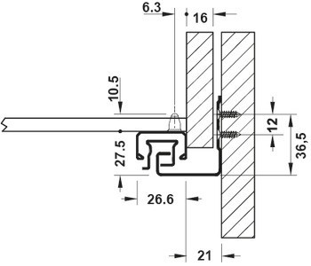
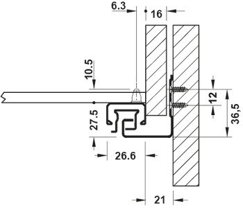
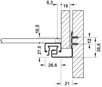
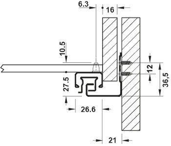
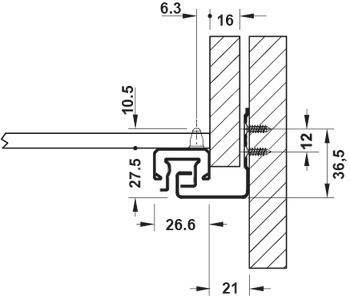
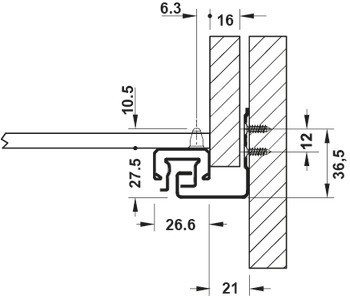
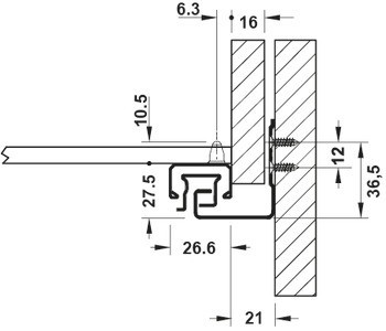
| Montáž | | K přišroubování | montáž na čep |
| Materiál | Ocel |
| Vlastnosti | | S mechanismem tlumeného dotahu | S Push-to-Open | s mechanismem dotahu |
| Model | A30 |
| Nosnost | | 30,00 kg | 30.00 kg |
| Způsob vysunutí | | Plnovýsuv |
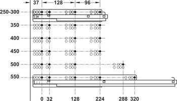
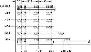
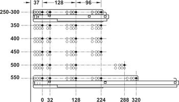
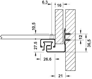
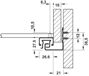
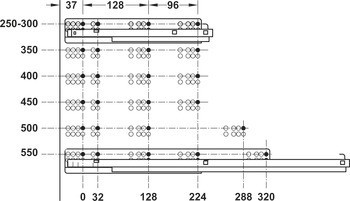
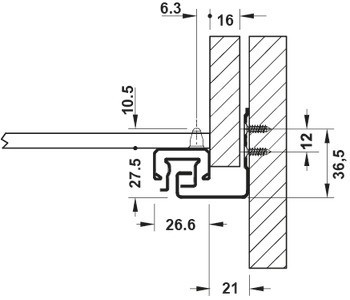
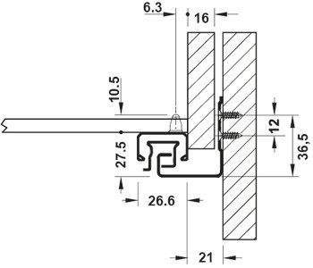
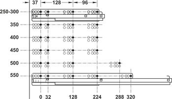
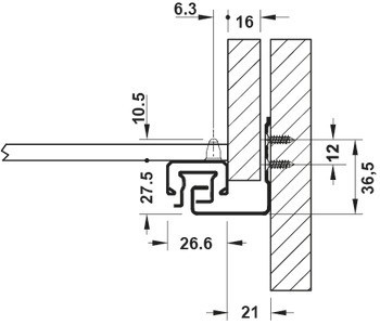
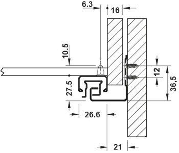
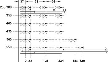
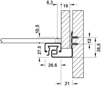
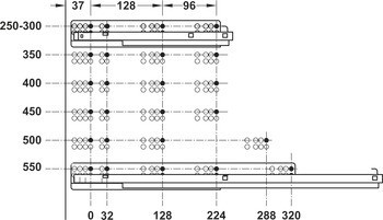
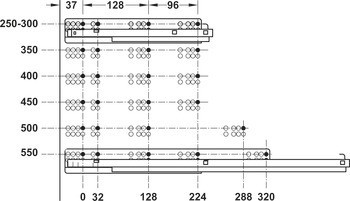
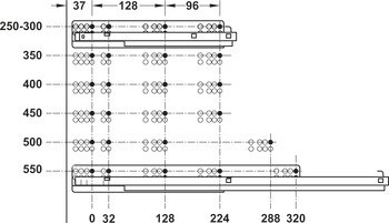
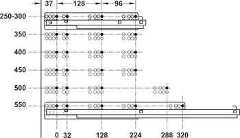
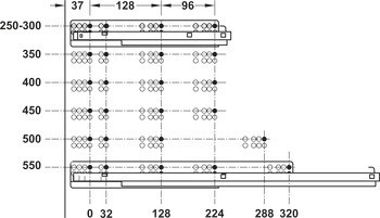
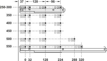
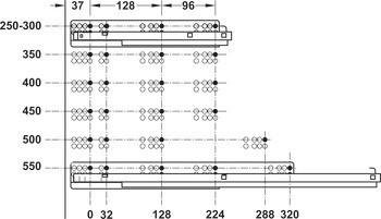
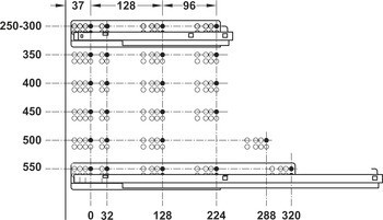
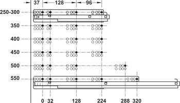
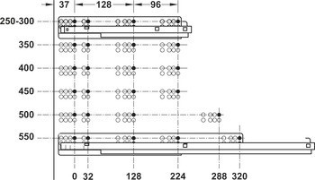
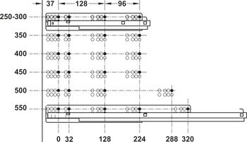
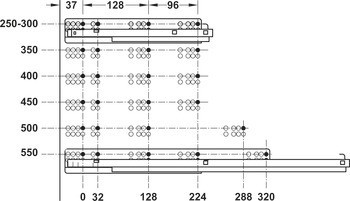
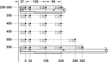
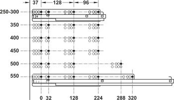
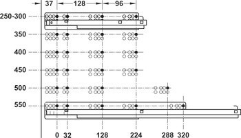
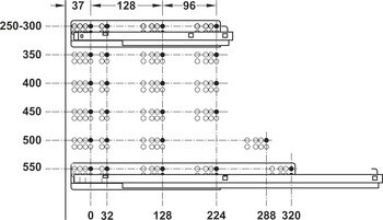
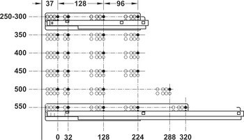
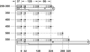
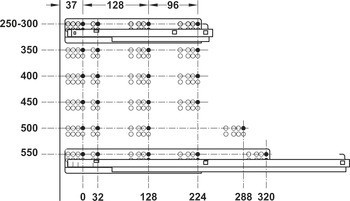
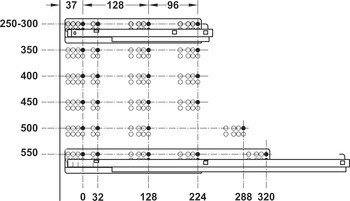
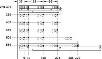
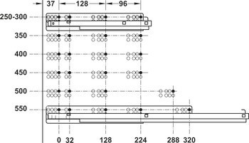
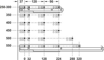
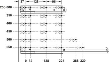
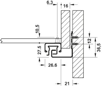
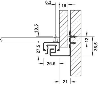
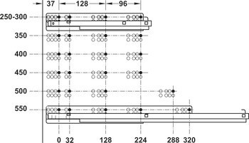
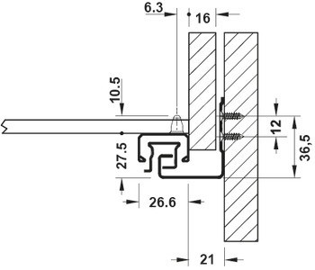
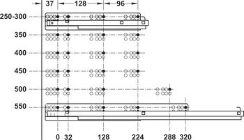
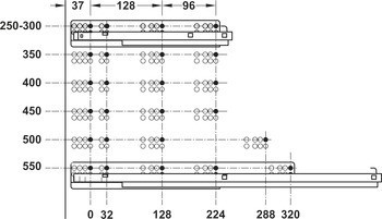
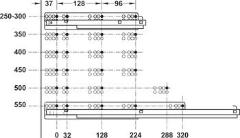
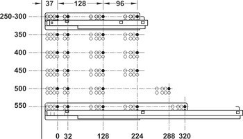
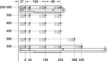
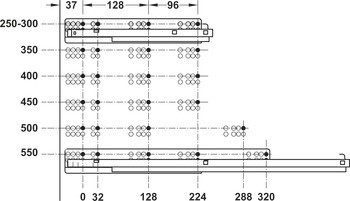
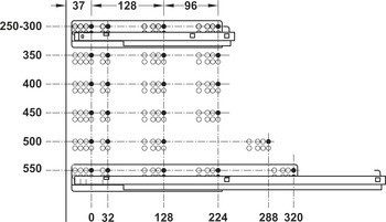
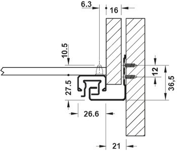
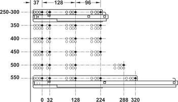
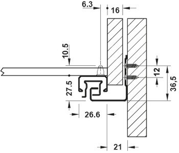
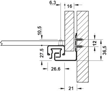
| Výsuvná délka | | 538,00 mm | 488,00 mm | 238,00 mm | 258,00 mm | 252,00 mm | 538.00 mm | 215.00 mm | 288.00 mm | 258.00 mm | 338.00 mm | 388.00 mm | 438.00 mm | 488.00 mm | 238.00 mm |
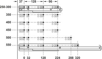
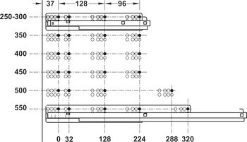
| Jmenovitá délka | 300,00 mm | 270,00 mm | 300.00 mm | 550.00 mm | 270.00 mm | 350.00 mm | 250.00 mm |
| Comfort functions | | Samozavírací | Push-to-Open | Tlumené zavírání, Samozavírací |
| Délka zásuvky | | 300,00 mm | 250,00 mm | 400,00 mm | 500,00 mm | 270,00 mm | 450.00 mm | 550,00 mm | 300.00 mm | 400.00 mm | 500.00 mm | 550.00 mm | 270.00 mm | 350.00 mm | 250.00 mm |
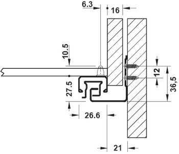
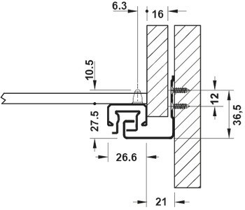
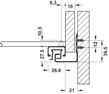
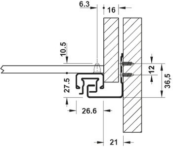
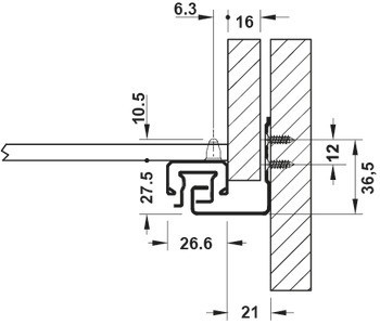
| Hloubka korpusu | | 288,00 mm | 268,00 mm | 318,00 mm | 418,00 mm | 518,00 mm | 568,00 mm | 278.00 mm | 288.00 mm | 318.00 mm | 368.00 mm | 418.00 mm | 468.00 mm | 518.00 mm | 568.00 mm | 268.00 mm |
| Pro světlou hloubku korpusu min. | | 288,00 mm | 268,00 mm | 318,00 mm | 418,00 mm | 518,00 mm | 568,00 mm | 278.00 mm | 288.00 mm | 318.00 mm | 368.00 mm | 418.00 mm | 468.00 mm | 518.00 mm | 568.00 mm | 268.00 mm |