






| Materiál | | Polykarbonát |
|---|---|
| Barva/povrchová úprava | | Černý |
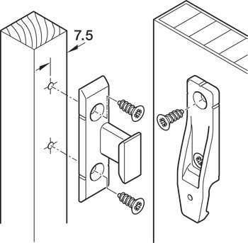
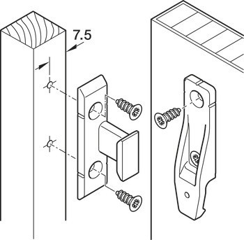
| Rozsah použití | | Pro připevnění panelů na rámové konstrukce | Pro připevnění panelů k rámové konstrukci a nosným profilům obkladového systému R |
| Materiál | | Plast |
| Montáž | | Se šrouby Varianta se zápustnou hlavou Ø 3,0 nebo 5,0 mm | se systémovými šrouby |
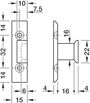
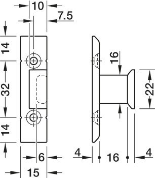
| Pro řadu vrtaných otvorů | | Systém 32 |
| Rozsah teplot | | -100 – 135 °C |