





| Verze | Bez zámkové rozety |
|---|---|
| Barva/povrchová úprava | Nikl, Matné |
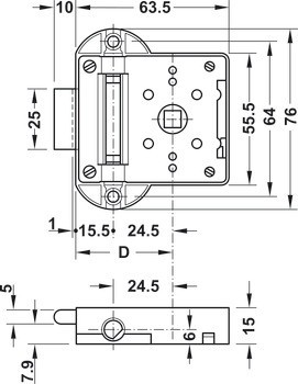
| Rozsah použití | Pro průběžné profilové tyče Ø 8 mmpro modulární systém 30 mm |
| Montáž | Levé a pravé (reverzibilní) |
| Materiál | Zinková slitina |
| Vhodné pro | Průběžná profilová tyč Ø 8 mm |
| Povrchová úprava | Matné |
| Backset | 40,00 mm |
| Rozměr zdvihu závory | 10,00 mm |
| Montáž | Levé nebo pravé, reverzibilní |