








| Verze | s klávesnicí |
|---|---|
| Barva/povrchová úprava | | Tělo: černé, Tělo: černé |
| Rozsah použití | | Pro školy, wellness centra, sportovní centra, pokoje zaměstnanců, atd., tedy všude, kde je vyžadováno bezpečné zamykání šatních skříněk bez použití klíče | pro dřevěné dveře 0,4–5 mm |
| Montáž | K přišroubování |
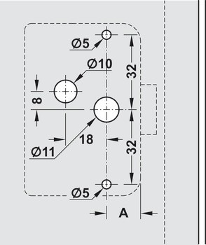
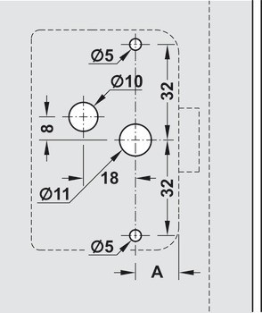
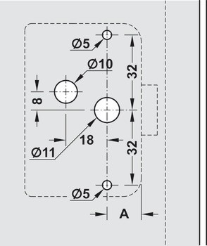
| Pro tloušťku dveří | 0.4 – 20 mm |
| Materiál | Tělo: plastzávora: nerez |
| Vhodné pro | Trojcestný zámek s klávesnicí |
| Poznámka k montáži | Pinlock je řešením pro školy, wellness centra, sportoviště, pokoje pro zaměstnance, atd., tedy všude tam, kde je vyžadováno bezpečné zamykání šatních skříněk bez použití klíče. Výhoda, není nutné vydávat klíče, které by se mohly ztratit. Nepřetržité monitorování stavu baterie indikuje nízký stav energie (výstražná kontrolka). Pro zamknutí zámku zadejte volitelný 4místný uživatelský kód a použijte otočnou zástrč. Pro otevření znovu zadejte 4místný uživatelský kód a použijte otočnou zástrč. V případě zapomenutí uživatelského kódu je možné dveře otevřít pomocí 6místného hlavního kódu (nouzové otevření). Pokud je uživatelský kód 3krát nesprávně zadán, je kombinační zámek blokován po dobu 15 minut. |
| Rozměry (D x Š x V) | 60 x 25 x 141 mm | 55 x 24 x 141 mm |
| Montáž | Pro použití na DIN levé nebo DIN pravé straně |
| Backset | 15,00 mm | 25,00 mm |
| Funkčnost | V případě zapomenutí uživatelského kódu je možné odemknout zámek (nouzové otevření) 6číselný hlavním kódem.Po zadání 3 nesprávných kódů za sebou je kombinační zámek na 15 minut blokován. |
| Ovládání | Zámek s PIN kódem: zadejte volitelný 4číselný uživatelský kód a otočením závory zámek zamkněte. Pro odemknutí znovu zadejte 4číselný uživatelský kód a otočte závoru. |
| Hmotnost | 0,18 kg |
| Typy šatních skříněk | Klávesnice a otočná závora | Trojcestný zámek|Zámek se závorou |