




1 trojcestný zámek
1 pár zajišťovacích háčků ze zinkové slitiny, poniklované
2 zamykací trny ze zinkové slitiny, poniklované
1 úhlový protiplech z poniklované oceli
1 šroub se zápustnou čočkovou hlavou M5 x 25 mm

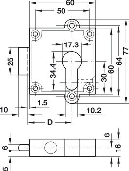
| Verze | S otvorem pro profilovou vložku pro umístění profilových vložek s rozměry v souladu s DIN 18 252 |
|---|---|
| Barva/povrchová úprava | | Nikl, Nikl |
| Rozsah použití | | Pro dělenou profilovou tyč Ø 8 mm |
| Montáž | | Levý a pravý |
| Materiál | | Zinková slitina |
| Poznámka k montáži | | Změna směru zavírání. Při zamknutém zámku stlačte dolní otočné ložisko a otočte o 90°. |
| Montáž | |
| Tvar vložky | |
| Klíč je obsažen | |
| Upřesnění | |
| Povrchová úprava | | Nikl |
| Backset D | |
| Obsah balení | |
| Backset | | 40,00 mm |
| Rozměr zdvihu závory | 10,00 mm |
| Montáž | levé nebo pravé |
| Připraveno pro | Profilová vložka |