









| Barva/povrchová úprava | Střelková závora: niklTělo zámku: pozink, Čelní plech: saténsklopná páčka: nikltělo zámku: pozink |
|---|---|
| Materiál | Čelní plech: Nerezstřelková závora: oceltělo zámku: Ocel |
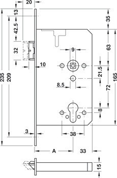
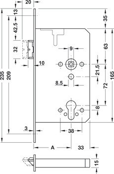
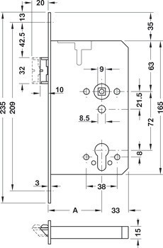
| Backset | | 80,00 mm | 65,00 mm |
| Montáž | | DIN levý | DIN pravý | DIN levý/pravý (reverzní) |
| Pro materiál dveří | dřevo|Ocel |
| Konstrukce dveří | | Falcové | Bezfalcové |
| Funkčnost | Se samozamykáním|Bez převodu |
| Pro typ dveří | Únikové dveře|Únikové a panikové dveře|Požárně odolné a kouřotěsné dveře |
| Připraveno pro | Profilová vložka |
| Ořech kliky | 9,00 mm |
| Rozteč | 72,00 mm |
| Šířka čelního plechu | | 20,00 mm | 24,00 mm |
| Design čelního plechu | Plochý čelní plech zaoblený |
| Norma | Certifikováno v souladu s EN 179:2008Certifikováno v souladu s EN 1125:2008Normy EN 179:2008 a EN 1125:2008 lze splnit pouze ve spojení se společně testovanými sadami kování. |
| Pro počet dveří | dvojité dveře |
| Rozsah použití | Únikové cesty a panikové prostory |
| Verze ořechu kliky | Dělený ořech |
| Pro typ dveřního křídla | Aktivní křídlo |
| Délka čelního plechu | 235,00 mm |
| Funkce panikového zámku | Paniková přepínací funkce B |
| Klasifikace v souladu s EN 179 | 3|7|7|B|1|3|4|2|A|B, D |
| Klasifikace v souladu s EN 1125 s dotykovým madlem | 3|7|7|B|1|3|2|1|A|B |
| Klasifikace v souladu s EN 1125 s tlačným madlem | 3|7|7|B|1|3|2|2|B|B |
| Směr otevírání | Nastavitelné ven/dovnitř |