




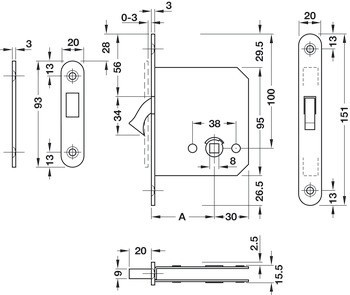
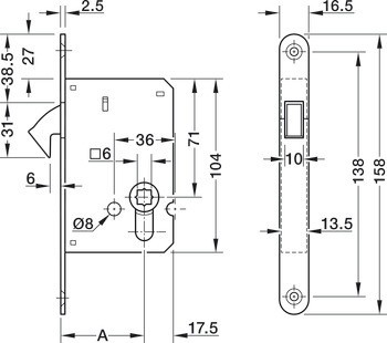
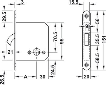
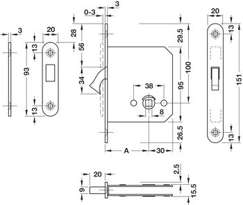
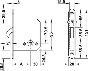
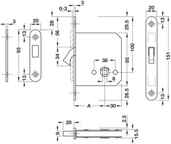
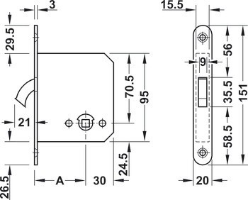
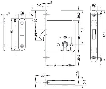
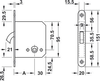
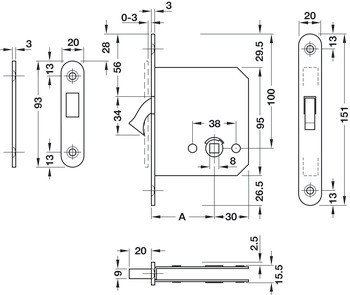
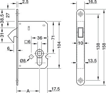
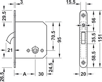
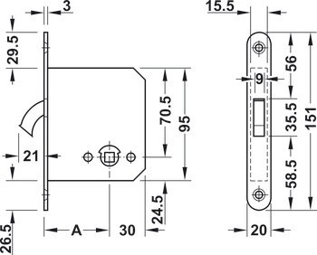
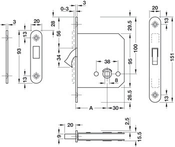
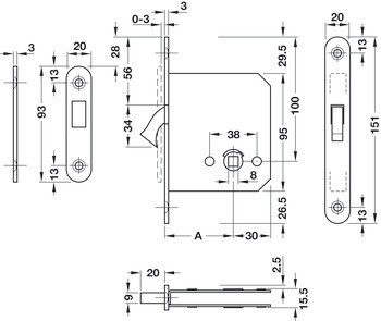
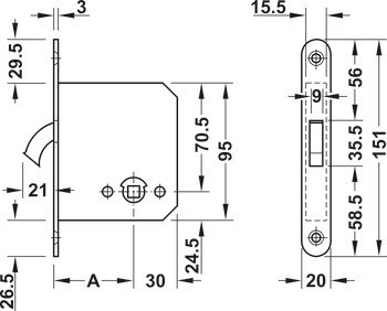
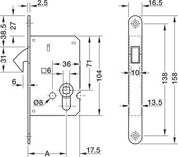
1 Zadlabací zámek
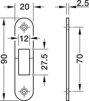
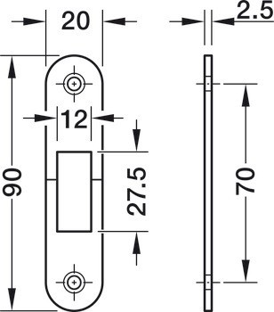
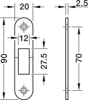
1 Protiplech





| Barva/povrchová úprava | | Satén | niklováno | Matné | barva stříbra, lakovaná |
|---|---|
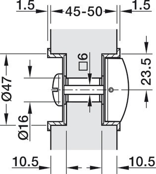
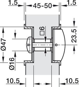
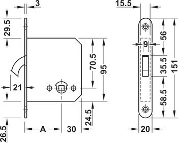
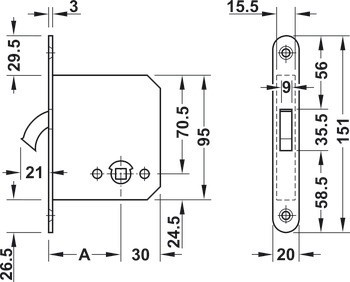
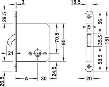
| Pro tloušťku dveří | 45 – 50 mm |
| Materiál | | Nerez | Ocel | Čelní plech, protiplech, kruhová závora, zapuštěné úchytky: mosazTělo zámku: ocel |
| Backset | | 50,00 mm | 55,00 mm | 65,00 mm |
| Pro materiál dveří | dřevo |
| Pro typ dveří | Posuvné dveře |
| Šířka čelního plechu | 16,00 mm | 20,00 mm |
| Design čelního plechu | Plochý čelní plech zaoblený |
| Typ zámku | WC/koupelna |
| Rozsah použití | Rezidenční sektory |
| Délka čelního plechu | 151,00 mm |
| Verze závory | Kruhová závora |
| Materiál/povrchová úprava čelního plechu | | Forend and striking plate: Steel, silver coloured, lacquered | Forend and striking plate: Satin stainless steel | Brass, nickel plated |
| Montáž | Čtyřhran 3 mm a 9 mm lze zkrátit |